EasyManua.ls Logo

magicpak EWC V-Series - Wiring Diagrams

Default Icon
12 pages
Print Icon
To Next Page IconTo Next Page
To Next Page IconTo Next Page
To Previous Page IconTo Previous Page
To Previous Page IconTo Previous Page
Loading...
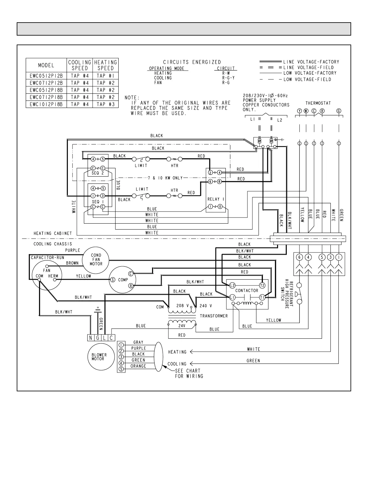
Page 8 of 12 507390-03Issue 2217
Figure 3. Wiring Diagram - EWC*12P12B, EWC*12P18B
Wiring Diagrams

Related product manuals