EasyManua.ls Logo

magicpak EWC V-Series - Page 9

Default Icon
12 pages
Print Icon
To Next Page IconTo Next Page
To Next Page IconTo Next Page
To Previous Page IconTo Previous Page
To Previous Page IconTo Previous Page
Loading...
507390-03 Issue 2217 Page 9 of 12
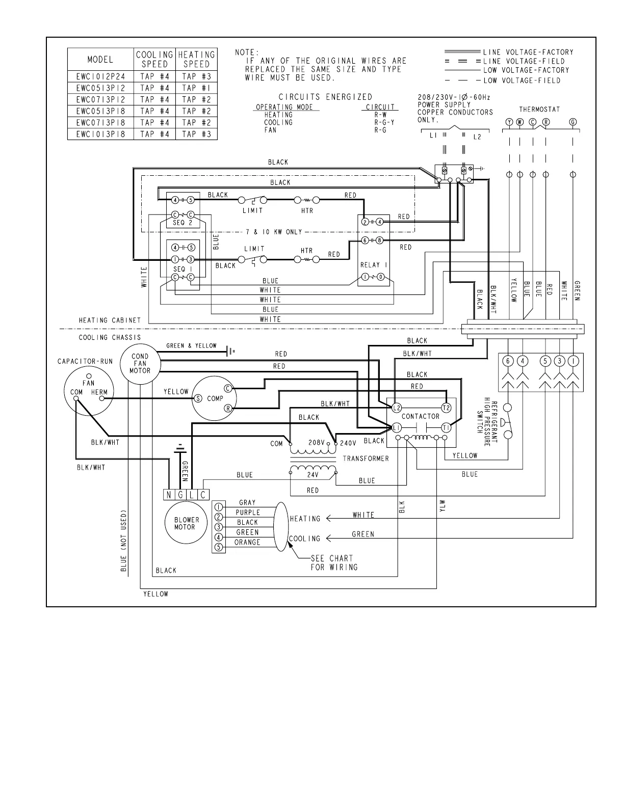
Figure 4. Wiring Diagram - EWC1012P24B, EWC*13*

Related product manuals