EasyManua.ls Logo

magicpak EWC V-Series - Page 10

Default Icon
12 pages
Print Icon
To Next Page IconTo Next Page
To Next Page IconTo Next Page
To Previous Page IconTo Previous Page
To Previous Page IconTo Previous Page
Loading...
Page 10 of 12 507390-03Issue 2217
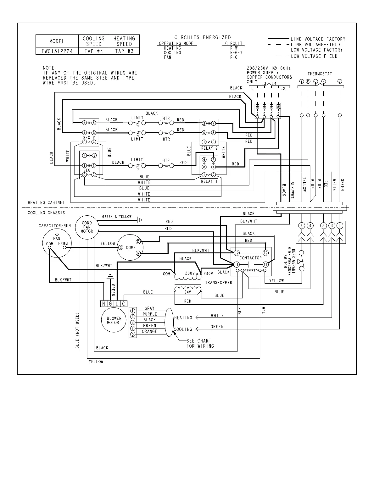
Figure 5. Wiring Diagram - EWC1512P24B

Related product manuals