EasyManua.ls Logo

Magmaweld ID 300 E - Electrical Diagram

Magmaweld ID 300 E
68 pages
Print Icon
To Next Page IconTo Next Page
To Next Page IconTo Next Page
To Previous Page IconTo Previous Page
To Previous Page IconTo Previous Page
Loading...
EN
21
www.magmaweld.com
ID 300 E
USER MANUAL | РУКОВОДСТВО ПО ЭКСПЛУАТАЦИИ | KULLANIM KILAVUZU
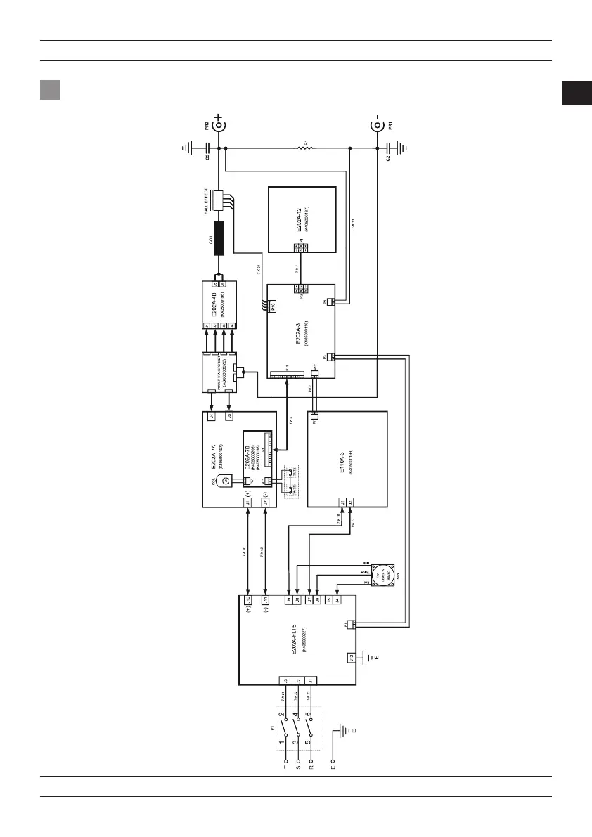
5.2 Electrical Diagram
Annex

Table of Contents

Related product manuals