EasyManua.ls Logo

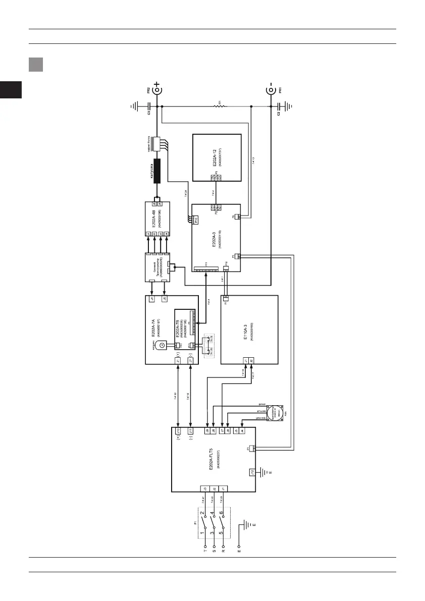
Magmaweld ID 300 E - Электрическая Схема

Magmaweld ID 300 E
68 pages
Print Icon
To Next Page IconTo Next Page
To Next Page IconTo Next Page
To Previous Page IconTo Previous Page
To Previous Page IconTo Previous Page
Loading...
RU
42
www.magmaweld.comUSER MANUAL | РУКОВОДСТВО ПО ЭКСПЛУАТАЦИИ | KULLANIM KILAVUZU
ID 300 E



Table of Contents

Related product manuals