EasyManua.ls Logo

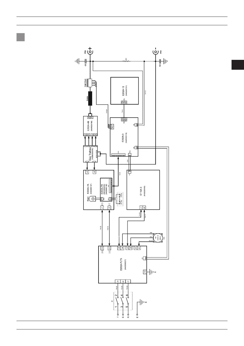
Magmaweld ID 300 E - Devre Şemasi

Magmaweld ID 300 E
68 pages
Print Icon
To Next Page IconTo Next Page
To Next Page IconTo Next Page
To Previous Page IconTo Previous Page
To Previous Page IconTo Previous Page
Loading...
61
www.magmaweld.com
TR
ID 300 E
USER MANUAL | РУКОВОДСТВО ПО ЭКСПЛУАТАЦИИ | KULLANIM KILAVUZU
Ekler


Table of Contents

Related product manuals