EasyManua.ls Logo

MAIMAN ELECTRONICS SF8025 - Functional Scheme

Default Icon
30 pages
Print Icon
To Next Page IconTo Next Page
To Next Page IconTo Next Page
To Previous Page IconTo Previous Page
To Previous Page IconTo Previous Page
Loading...
Maiman Electronics SF8025, SF8075, SF8150, SF8300
8
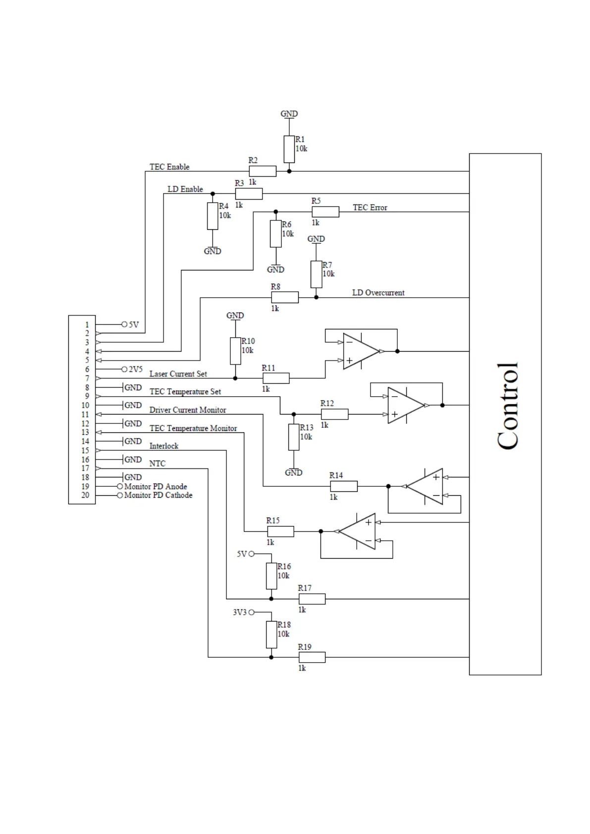
14. Functional scheme
Analogue interface