EasyManua.ls Logo

Mainca EC-12 - Page 44

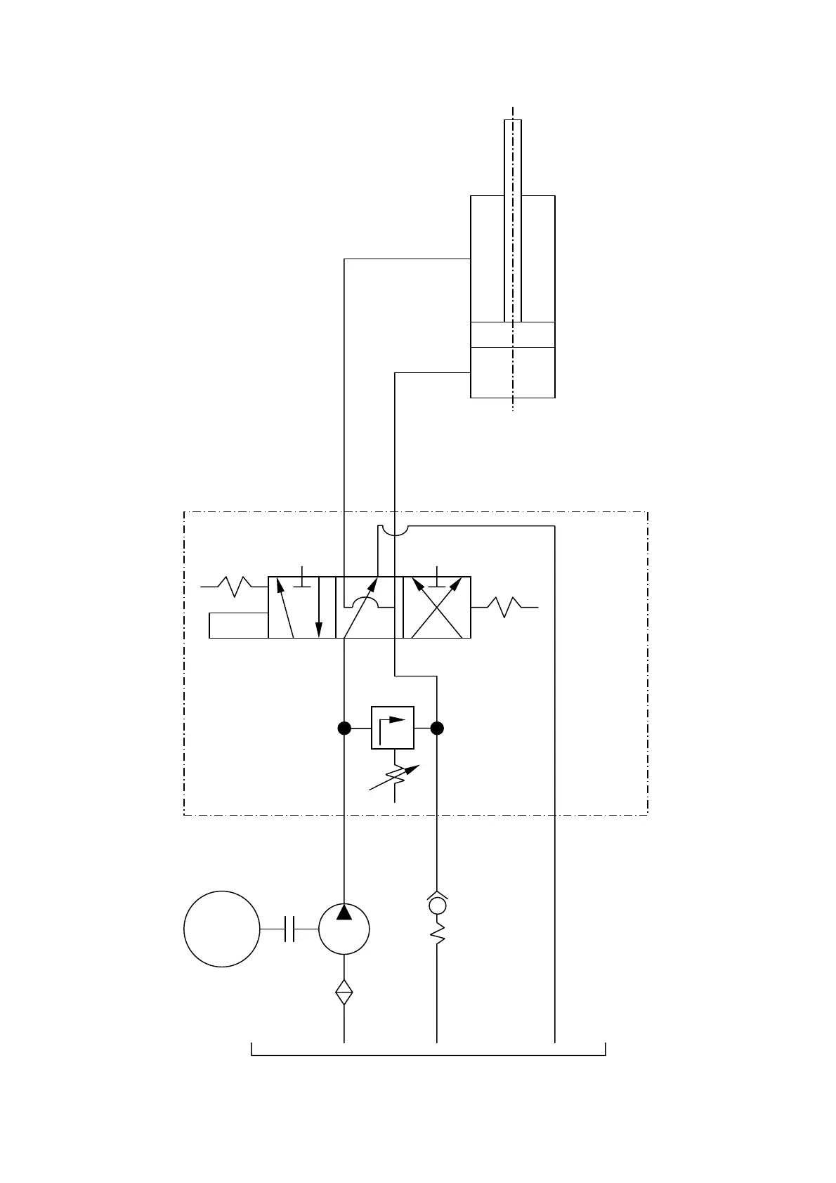
Mainca EC-12
Print Icon
To Next Page IconTo Next Page
To Next Page IconTo Next Page
To Previous Page IconTo Previous Page
To Previous Page IconTo Previous Page
Loading...
(EM-20)
A
B
P
R Rp
MAN
M

Related product manuals