EasyManua.ls Logo

Malabar 95P10AR - Page 15

Default Icon
52 pages
Print Icon
To Next Page IconTo Next Page
To Next Page IconTo Next Page
To Previous Page IconTo Previous Page
To Previous Page IconTo Previous Page
Loading...
Model: 95P10AR
Two Stage Hydraulic Aviation Floating Auto-Retract Axle Jack
S/N 263 and Up
12/2018 | Rev. 01 Page | 15
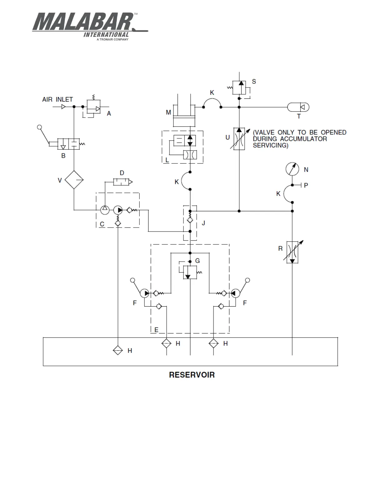
Pneumatic/Hydraulic Diagram
A - AIR RELIEF VALVE L - VELOCITY FUSE
B - AIR VALVE M - CYLINDER ASSEMBLY
C - AIR PUMP N - LOAD GAUGE
D - MUFFLER P - TEST PORT
E - VALVE BLOCK R - RELEASE VALVE
F - HAND PUMP S - ACCUMULATOR RELIEF VALVE
G - SAFETY POP-OFF VALVE T - ACCUMULATOR
H - OIL SCREEN U - ACCUMULATOR SHUTOFF VALVE
J - CROSS CHECK VALVE V - LUBRICATOR
K - HYDRAULIC HOSE

Related product manuals