EasyManua.ls Logo

Malmet ES915 - Hydraulic Circuit Diagram - ES915;935

Malmet ES915
44 pages
Print Icon
To Next Page IconTo Next Page
To Next Page IconTo Next Page
To Previous Page IconTo Previous Page
To Previous Page IconTo Previous Page
Loading...
Malmet Bedpan / Urinal Bottle Washer Disinfector (ES-D)
Detergent Model with Hands Free Operation
Operation, Maintenance and Installation Manual
Issue 5 Page 39 June 23
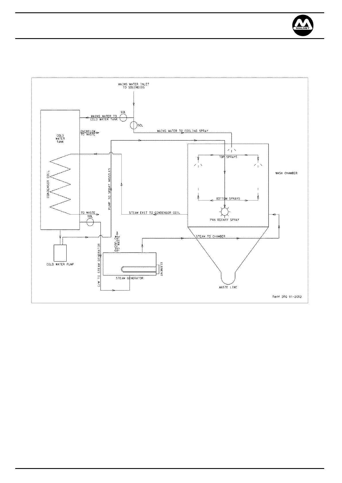
6.5 Hydraulic Circuit Diagram - ES915/935

Related product manuals