EasyManua.ls Logo

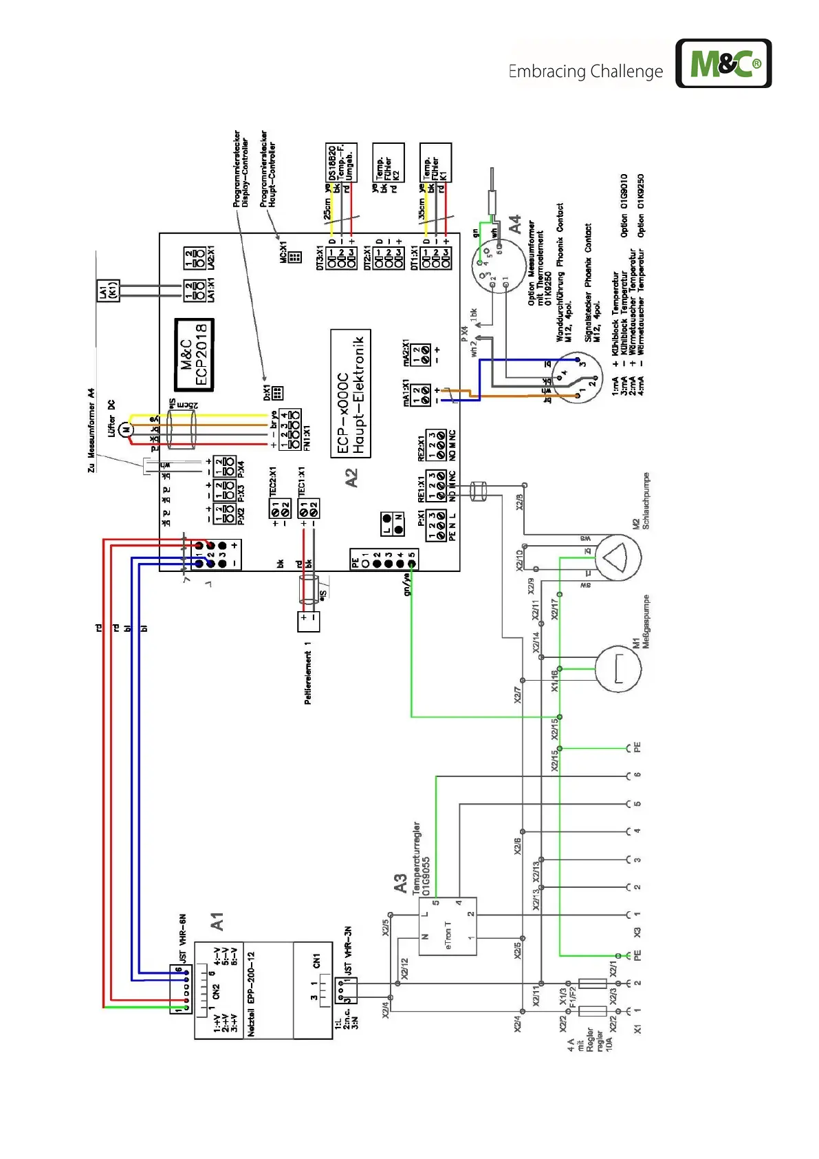
M&C PSS Series - Figure 16 Circuit Diagram PSS-5 C

M&C PSS Series
48 pages
Print Icon
To Next Page IconTo Next Page
To Next Page IconTo Next Page
To Previous Page IconTo Previous Page
To Previous Page IconTo Previous Page
Loading...
www.mc-techgroup.com PSS-5C | 1.02.02 47
Figure 16 Circuit diagram PSS-5C

Table of Contents