EasyManua.ls Logo

Manitou AETJ 49 - Basket Control Panel Harness

Manitou AETJ 49
286 pages
Print Icon
To Next Page IconTo Next Page
To Next Page IconTo Next Page
To Previous Page IconTo Previous Page
To Previous Page IconTo Previous Page
Loading...
ELECTRICITY
86
80
547379EN
80 (08/03/2017)
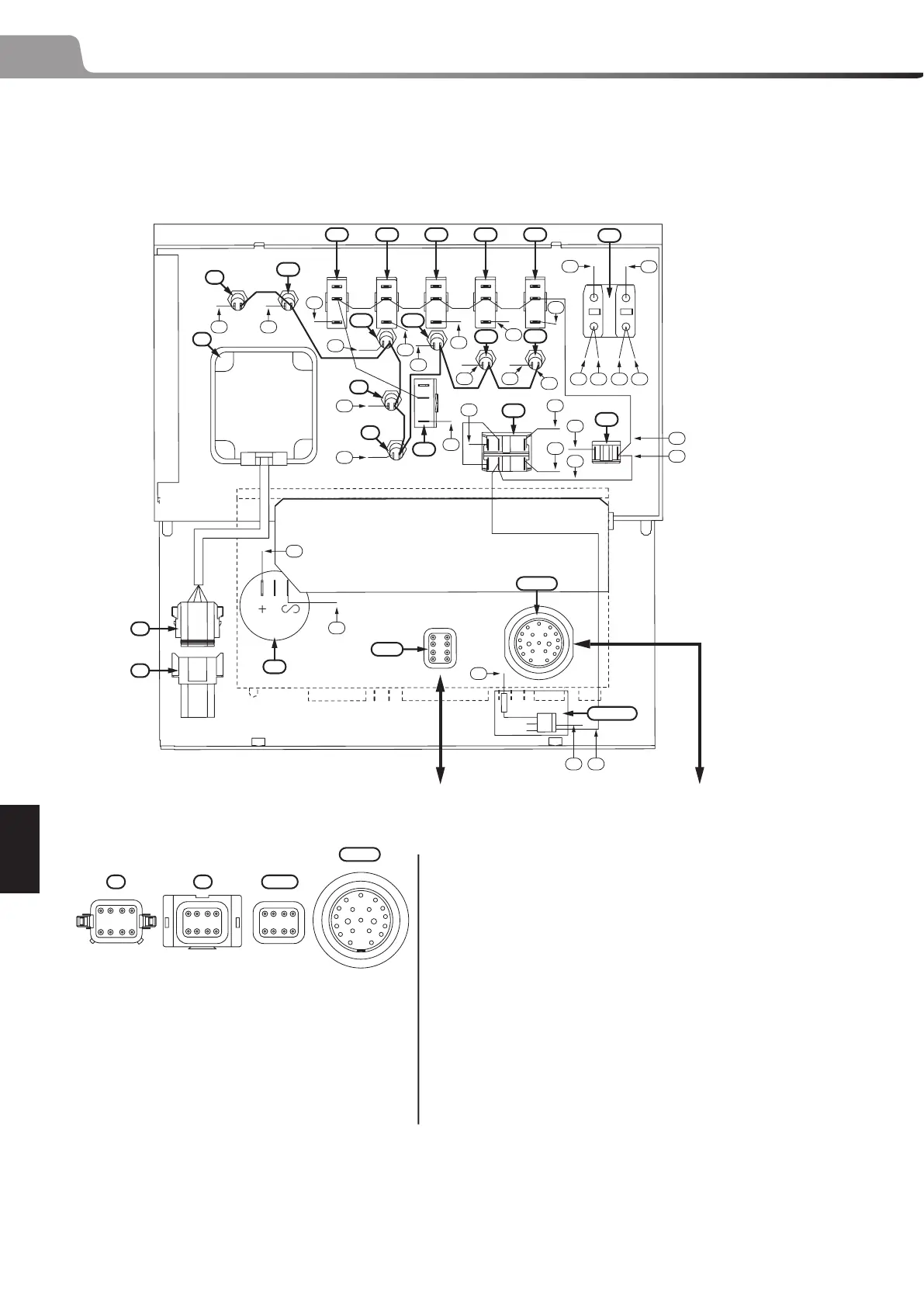
BASKET CONTROL PANEL HARNESS
- ITEM 1
Installation procedure:
- 678383 - C (120 AETJL, 150 AETJC,150 AETJC 3D,150 AETJL,170 AETJL).
309
A4
D-IN
B+B+2
D-NEG
C-NEG
B-NEG
D-OUT A-IN CAN
H9
H8
H7
H18
1
2
1
2
S14
S17
S13 S15 S19 S20 S18
S22
S21
H17
87 65
12 34
106 103
A5
8P
8S
8P PC
HD 30
CIRC IMP
103313
314
320
106
328
329
310
308
307
306
302
103
103
103
123123106 106
137
135
305
323
106
321
303
304
331
322
311
330
327
H10 H15
H16
H14
HD 30a
54
7 2
6
3
1
8
20
19
18
17
16
15
14
13
12
11
10
9
8S
12 34
5678
8P
1234
56 78
8P PC
1234
56 78
123
456
123
5
4
8
67
123
9
4567
131415
8
16 12
1011
123
13
456789101112
1718192021222324 16
1415
103
103
BASKET CONSOLE
HARNESS
Ref. 1
To overload
sensors harness
Ref. 16
To overload
sensors harness
Ref. 16
Ref.
A4
A5
PRINT.CIRC
H7
H8
H9
H10
H14
H15
H16
H17
H18
HD30
Designation
Basket module card
Manipulator
Printed circuit
Tilt LED
Translation LED
Arm 1/2 up LED
Arm 3 up LED
Tilt / reverse tilt LED
Telescope LED
Pendular arm up LED
Buzzer
Overload LED
20-port female Deutsch through-partition connector
Ref.
S13
S14
S15
S17
S18
S19
S20
S21
S22
8S
8P
8P PC
Designation
Translation selector
Arm 1/2 up / down selector
Arm 3 up / down selector
Pendular arm / turret / basket rotation selector
Tilt / reverse tilt selector
Telescope extension / retraction selector
Pendular arm up / down selector
Horn button
Emergency Stop
8-port male Deutsch connector
8-port female Deutsch connector
8-port female Deutsch through-partition connector
Wire
green
yellow
yellow/black
grey/black
white
white/black
brown/black
brown
green/black
grey
Pos.
1
2
3
4
5
6
7
8
Wire
314
315
316
317
123
103
319
318
Pos.
1
2
3
4
5
6
7
8
Wire
332
335
312
335
333
335
spare
spare
Pos.
1
2
3
4
5
6
7
8
Wire
112
113
spare
135
137
spare
332
333
338
103
106
123
336
337
319
400 Optional spare
401 Optional spare
402 Optional spare
spare
spare
Pos.
1
2
3
4
5
6
7
8
9
10
11
12
13
14
15
16
17
18
19
20
Wire
315
318
spare
spare
spare
spare
spare
spare
Pos.
1
2
3
4
5
6
7
8
Wire
319
312
311
313
332
316
317
306
310
309
304
303
305
308
307
302
Pos.
1
2
3
4
5
6
7
8
9
10
11
12
13
14
15
16
Wire
spare
328
327
322
321
spare
323
spare
spare
spare
spare
spare
329
331
320
330
spare
335
337
spare
336
338
spare
spare
Pos.
1
2
3
4
5
6
7
8
9
10
11
12
13
14
15
16
17
18
19
20
21
22
23
24
Wire
spare
spare
spare
spare
113
112
Pos.
1
2
3
4
5
6

Table of Contents

Related product manuals