EasyManua.ls Logo

Manitowoc MII 150 - MII-250 Footprint

Manitowoc MII 150
40 pages
Print Icon
To Next Page IconTo Next Page
To Next Page IconTo Next Page
To Previous Page IconTo Previous Page
To Previous Page IconTo Previous Page
Loading...
18
Installation and Service Manual
OPERATION
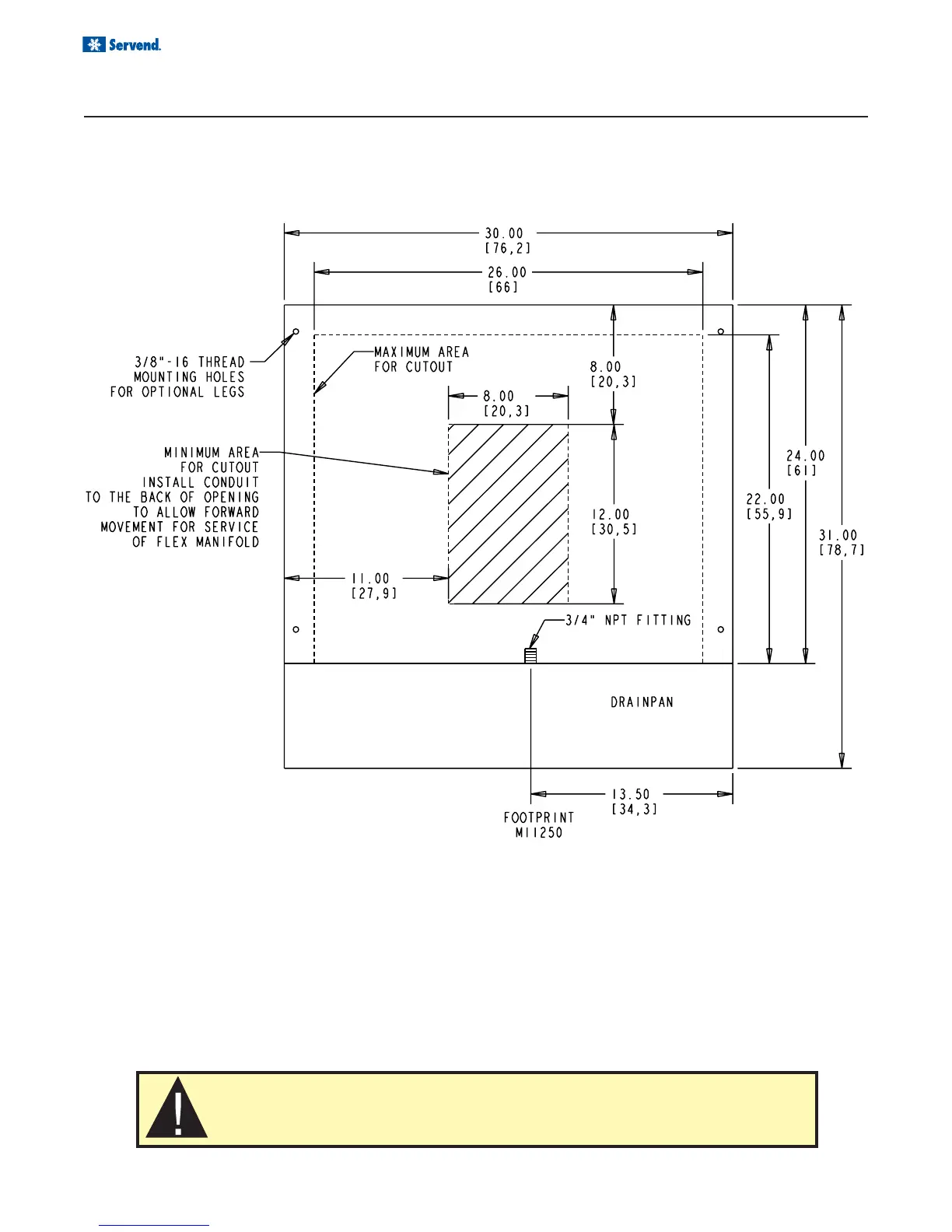
MII-250 FOOTPRINT
CAUTION: Cutting the countertop may decrease its strength. Counter should
be braced to support the dispenser countertop weight plus ice storage ca-
pacity and weight of icemaker, if applicable.

Related product manuals