EasyManua.ls Logo

Manitowoc Multiplex 50GR04 - Plumbing Circuit Diagrams

Manitowoc Multiplex 50GR04
52 pages
Print Icon
To Next Page IconTo Next Page
To Next Page IconTo Next Page
To Previous Page IconTo Previous Page
To Previous Page IconTo Previous Page
Loading...
Part Number 020002365 08/25/2015 15
Section 2 Installation
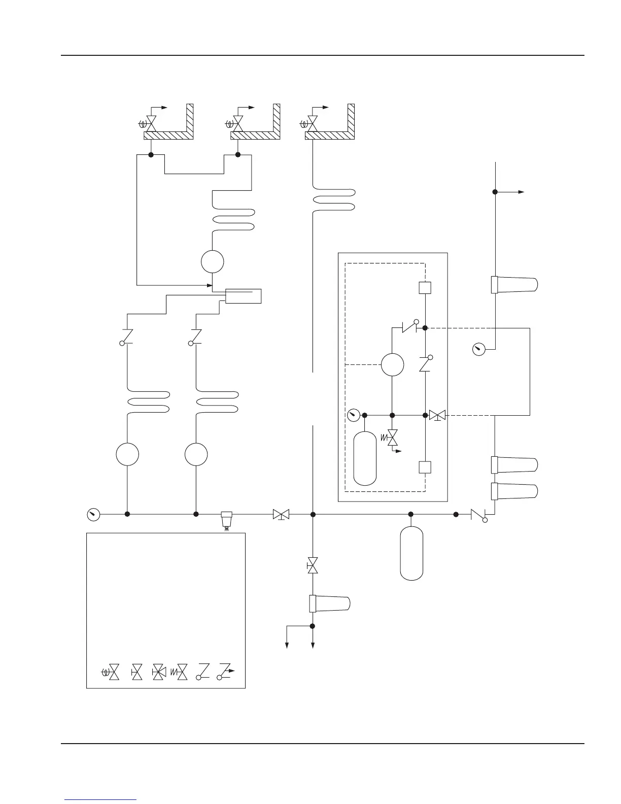
PLUMBING CIRCUIT DIAGRAMS  MODELS 42, 44 AND SC1000
Pressurized Water Circuit Diagram
To Coffee
Machine
To Ice
Machin
e
Legend
Phosphate
Feeder
(optional)
Accumulator
Tank
(optional)
To
Plain Water
Valve
Filtered Water
Pressure Gauge
Primary
Carbonator
Cooling
Coil
Carbonator
Tank
Cooling
Coil
Cooling
Coil
Circulator
Pump
Tower
Tower
Tower
Optional Constant Water
Pressure Booster Module
Booster
Tank
High
Pressure
Switch
H
L
High
Pressure
Gauge
Low
Pressure
Switch
Constant Pressure
Booster Pump
Pump
Pressure Regulator
(55 psi [3.8 bar])
Low
Pressure
Gauge
Fine Filters
(optional)
Coarse Filter
(optional)
To Optional
Water-Cooled
Condenser
Primary
Water Supply
Booster Module
Replacement Line
— Electric Solenoid V
alve
— Manual Ball V
alve
— 3-way Ball V
alve
— Pressure Relief V
alve
— Check V
alve, Ball Type
— Check V
alve,
Vent to Atmosphere
Secondary Carbonator
(Not Used On 42M)
Cooling
Coil

Table of Contents

Related product manuals