EasyManua.ls Logo

Manitowoc Multiplex 50GR04 - Plumbing Circuit Diagrams - Models 50 and SC2000

Manitowoc Multiplex 50GR04
52 pages
Print Icon
To Next Page IconTo Next Page
To Next Page IconTo Next Page
To Previous Page IconTo Previous Page
To Previous Page IconTo Previous Page
Loading...
18 Part Number 020002365 08/25/2015
Installation Section 2
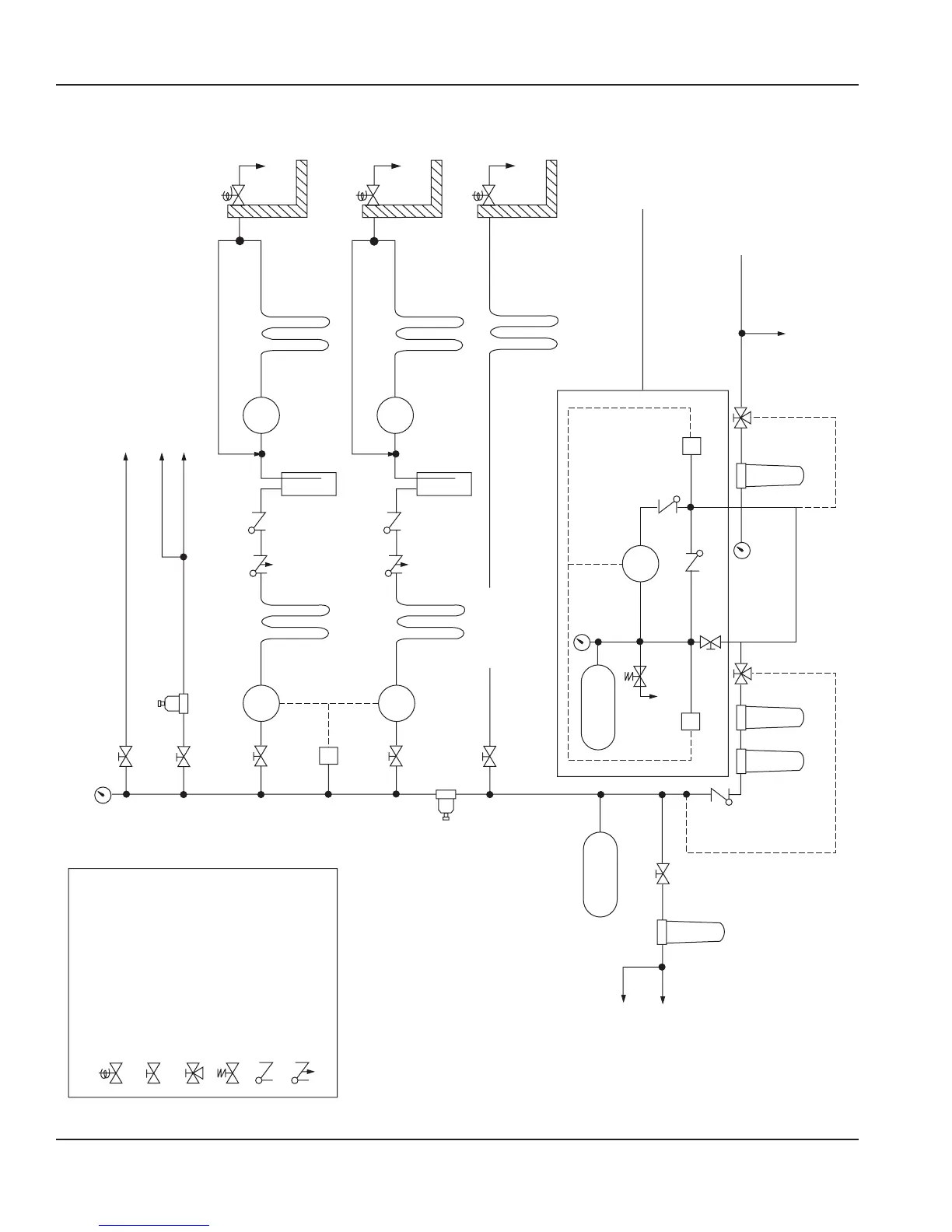
PLUMBING CIRCUIT DIAGRAMS  MODELS 50 AND SC2000
Pressurized Water Circuit Diagram
To Coffee
Machine
To Ice
Machine
Phosphate
Feeder
Accumulator
Tank
To Plain
Water Valve
Filtered Water
Pressure Gauge
Low Pressure
Regulator
Cooling Coil
Dispensing
Tower
Dispensing
Tower
Dispensing
Tower
Optional Constant Water
Pressure Booster Module
Booster
Tank
High
Pressure
Switch
H
L
High
Pressure
Gauge
Low
Pressure
Switch
Constant Pressure
Booster Pump
Pump
Low Pressure
Gauge
Fine Filters
Coarse
Filter
To Water-Cooled
Condenser
Primary
Water Supply
Booster Module
Replacement Line
Legend
— Electric Solenoid V
alve
— Manual Ball V
alve
— 3-way Ball V
alve
— Pressure Relief V
alve
— Check V
alve, Ball Type
— Check V
alve,
Vent to Atmosphere
Carbonator
Pump “A”
Pump
Pump
Pump
Carbonator
Pump “B”
Cooling Coil
Carbonator Tank “B”
Cooling Coil
Cooling Coil
Cooling Coil
Carbonator Tank “A”
Circulator
Pump “A”
Circulator
Pump “B”
L
Pump
By-pass (Export only)By-pass (Export only)
Low
Pressure
Switch
Syrup Tray Wash
To Danish Steamer
To Filet Bun Steamer
Pressure Regulator Set at
55 psi (3.8 bar)
Required with Booster
Module

Table of Contents

Related product manuals