EasyManua.ls Logo

Manitowoc Multiplex 50GR04 - Page 17

Manitowoc Multiplex 50GR04
52 pages
Print Icon
To Next Page IconTo Next Page
To Next Page IconTo Next Page
To Previous Page IconTo Previous Page
To Previous Page IconTo Previous Page
Loading...
Part Number 020002365 08/25/2015 17
Section 2 Installation
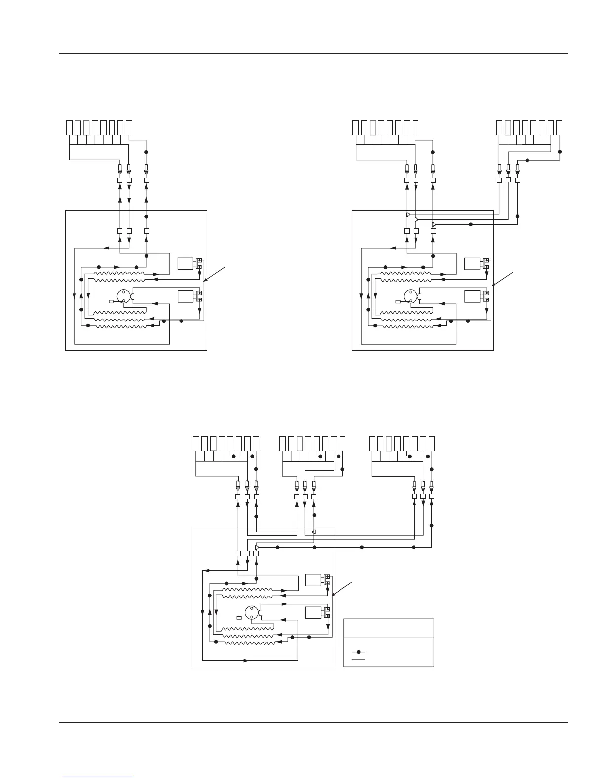
Carbonated Water Plumbing — Eight Valve Towers with Connection at Unit
9
9
6
A
5
A
4
A
3
A
2
A
1
W
W
98
W
98
7
A
8
A
W
98
W
98
W
9
8
6
A
5
A
4
A
3
A
2
A
1
W
7
A
8
A
6
A
5
A
4
A
3
A
2
A
1
W
7
A
8
A
6
A
5
A
4
A
3
A
2
A
1
W
7
A
8
A
8 9
8
W
6
A
5
A
4
A
3
A
2
A
1
W
7
A
8
A
6
A
5
A
4
A
3
A
2
A
1
W
7
A
8
A
W
8
W
8 9
W
Si
ng
l
e
T
ower
S
ys
t
em w
ith C
onnec
ti
on a
tU
n
Tti
wo
T
ower
S
ys
t
em w
ith C
onnec
ti
on a
tU
nit
Three Tower System with Connection at Unit
Self Serve or
Center Island Tower
Drive-thru Tower
Self Serve or
Center Island Tower
Drive-thru Tower
Self Serve or Center
Island Tower (optional)
Pressurized
Filtered
Water Supply
Pressurized
Filtered
Water Supply
Pressurized
Filtered
Water Supply
Drive-thru or
Center Island Tower
Primary
Carbonator
Pump
Circulator
Pump
Water
Feeder
Carbonator
Tan
Primary
Carbonator
Pump
Circulator
Pump
Water
Feeder
Carbonator
Tan
Primary
Carbonator
Pump
Circulator
Pump
Water
Feeder
Carbonator
Tan
Carbonated
Water Circuit
eend (Water)
Plain Water
Carbonated Water

Table of Contents

Related product manuals