EasyManua.ls Logo

Manitowoc QY0605W - Q1300;Q1800 - Remote - 3 Phase with Terminal Board

Manitowoc QY0605W
175 pages
Print Icon
To Next Page IconTo Next Page
To Next Page IconTo Next Page
To Previous Page IconTo Previous Page
To Previous Page IconTo Previous Page
Loading...
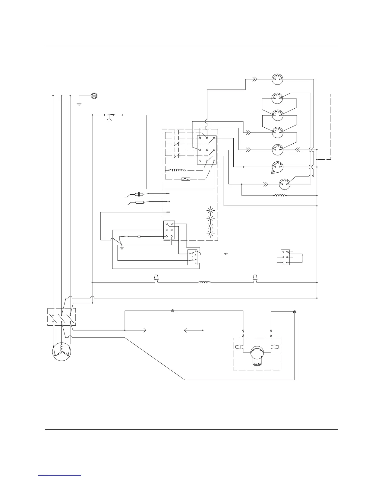
Section 6 Electrical System
Part No. 80-1100-3 6-35
Q1300/Q1800 - REMOTE - 3 PHASE WITH TERMINAL BOARD
(64)
(63)
BIN SWITCH
(62)
(66)
(65)
(69)
(67)
(68)
TOGGLE SWITCH
68
67
69
66
62
ICE
OFF
CLEAN
(66)
(62)
VIEW FOR WIRING
INTERNAL WORKING
VIEW
TB31
TB37
TB32
TB35
TB34
(53)
TB33 (52)(51)
(55)
(77)
(76)
(98)
(59)
(99)
(75)
WATER
VALVE
(22)
(21)
LH HARVEST
SOLENOID
DUMP
SOLENOID
(81)
(80)
WATER
PUMP
LIQUID LINE
SOLENOID
TB30
TB30
(82)
(83)
HIGH PRES
CUTOUT
TB35
TB30
CRANKCASE HEATER
(94)
TB30
CONTACTOR
CONTACTS
L1
(96)
(42)
COMPRESSOR
REMOTE
FAN MOTOR
RUN CAPACITOR
SEE SERIAL PLATE FOR VOLTAGE
CAUTION: DISCONNECT POWER BEFORE WORKING
ON ELECTRICAL CIRCUITRY.
DIAGRAM SHOWN DURING FREEZE CYCLE
REMOTE CONDENSER
L3 L2 L1
L2L3
TB35
T2
T3
T1
TERMINATES AT
PIN CONNECTION
(F1)
(F2)
(61)
(60)
(57)
(58)
1F
1C
4
1
3
5
FUSE (7A)
TRANS.
(56)
ICE THICKNESS PROBE
TB30
BIN SWITCH LIGHT
HARVEST LIGHT/
SAFETY LIMIT CODE LIGHT
LOW D.C.
VOLTAGE
PLUG
(74)
(73)
TB30
CONTACTOR
COIL
(95)
N - 50H
Z
ONLY
NOTE: WIRE (96) IS NOT USED ON 50HZ
TB30
HPR
SOLENOID
(87)
(88)
CLEAN LIGHT
WATER LEVEL LIGHT
WATER LEVEL PROBE
2
(79)
(78)
RH HARVEST
SOLENOID
1G
AUCS DISPENSE TIME
(20)
SV1651

Table of Contents

Other manuals for Manitowoc QY0605W

Related product manuals