EasyManua.ls Logo

Mantis 9555 - Page 92

Mantis 9555
100 pages
Print Icon
To Next Page IconTo Next Page
To Next Page IconTo Next Page
To Previous Page IconTo Previous Page
To Previous Page IconTo Previous Page
Loading...
BSV
10/10/02
92
I
T
A
L
I
A
N
O
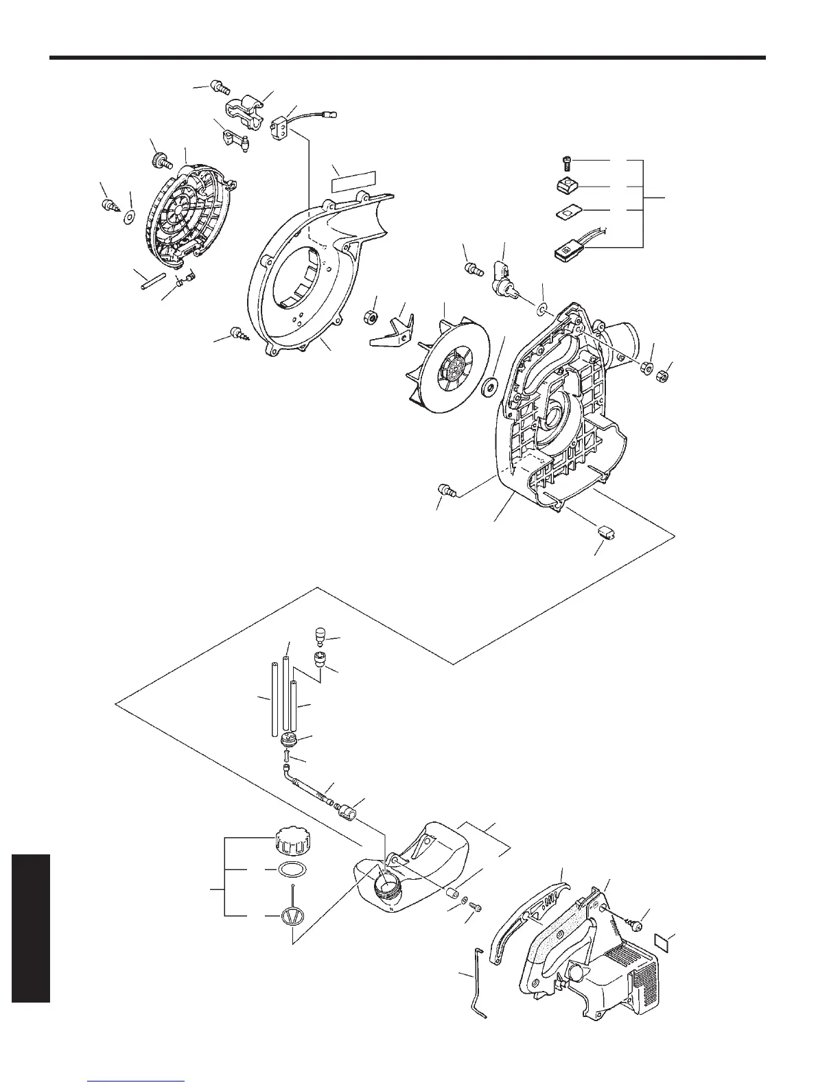
SMAZZI IL CASO, LA COPERTURA DEL MOTORE, SISTEMA DI ALIMENTAZIONE DEL COMBUSTIBILE
1
2
3
4
5
6
7
8
9
10
12
13
14
15
16
17
18
19
11
23
24
25
26
27
28
29
30
31
32
33
34
35
36
37
38
39
40
41
42
43
44
45
46
47
48
49
50
20
21
22

Table of Contents

Related product manuals