EasyManua.ls Logo

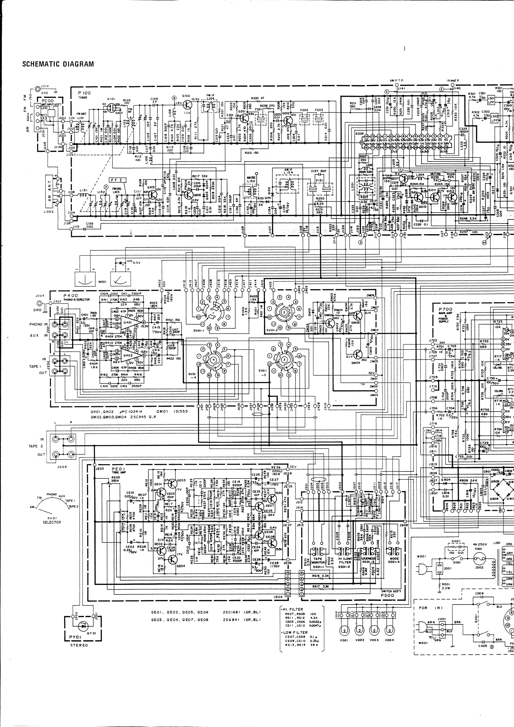
Marantz 1530 - Schematic Diagram

Marantz 1530
28 pages
Print Icon
To Next Page IconTo Next Page
To Next Page IconTo Next Page
To Previous Page IconTo Previous Page
To Previous Page IconTo Previous Page
Loading...

Other manuals for Marantz 1530

Related product manuals