EasyManua.ls Logo

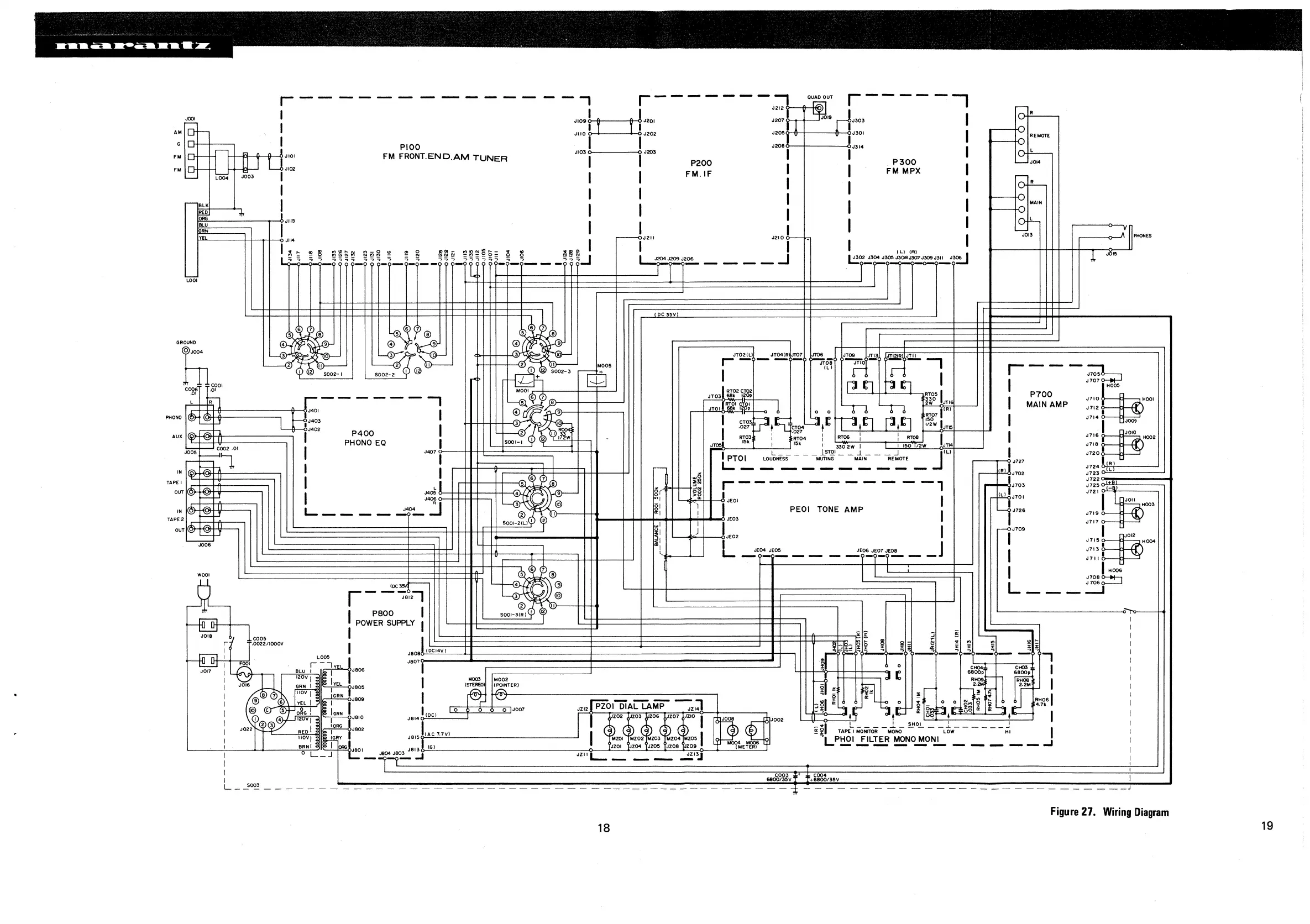
Marantz 2225L - Wiring Diagram

Marantz 2225L
32 pages
Print Icon
To Next Page IconTo Next Page
To Next Page IconTo Next Page
To Previous Page IconTo Previous Page
To Previous Page IconTo Previous Page
Loading...

Table of Contents

Related product manuals