EasyManua.ls Logo

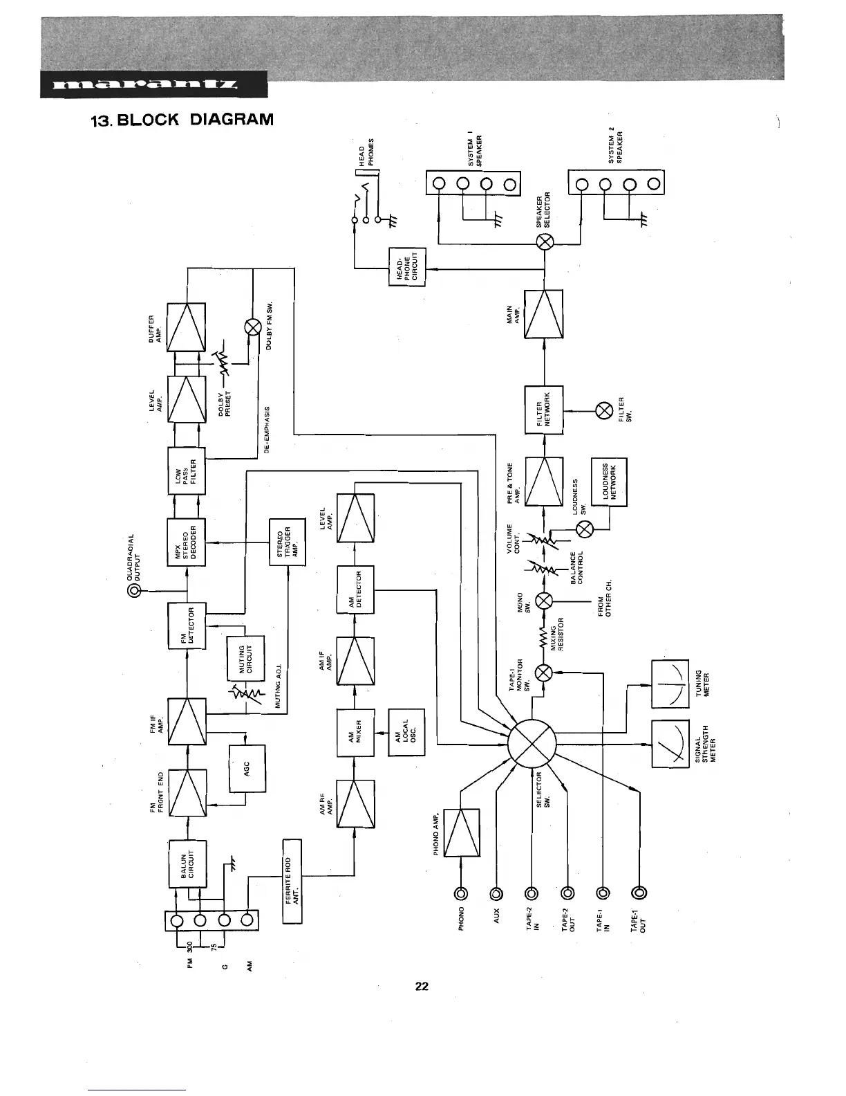
Marantz 2230B - System Block and Mechanical Diagrams

Marantz 2230B
46 pages
Print Icon
To Next Page IconTo Next Page
To Next Page IconTo Next Page
To Previous Page IconTo Previous Page
To Previous Page IconTo Previous Page
Loading...

Related product manuals