EasyManua.ls Logo

Marantz CD-7 - Block Diagram

Marantz CD-7
34 pages
Print Icon
To Next Page IconTo Next Page
To Next Page IconTo Next Page
To Previous Page IconTo Previous Page
To Previous Page IconTo Previous Page
Loading...
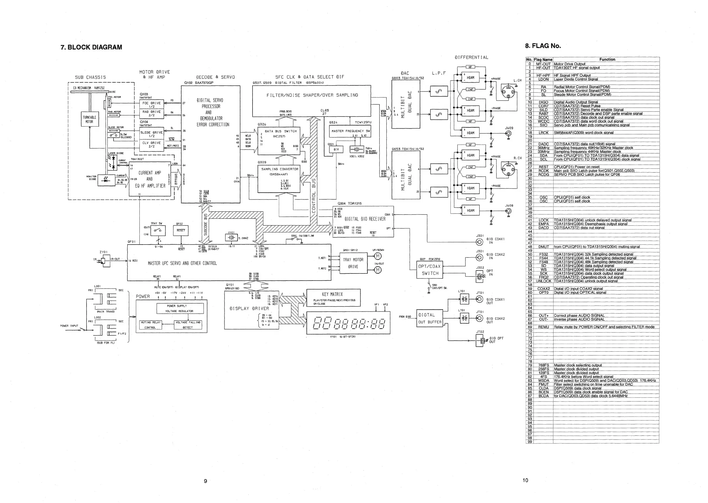
7.
BLOCK
DIAGRAM
SUB
CHASSIS
|
|
|
|
|
|
|
|
|
|
|
|
|
|
|
|
\
|
|
|
|
|
|
|
POWER
INPUT
—_——+o
MONITOR
AIOE
Rel]
CO
MECHANISM
=
VANI252
SS
ise:
TURNTABLE
MOTOR
ae
ZYO1
FOC.
MOTOR
CURENT
CONTROL
=a
v4
2,
03
\
1923
Bl.
8;
24,
85
1
R-OUT
MOTOR
OBRIVE
&
HF
AMP
|
atos
|
Tea7o73aT
FOC
DRIVE
CLV
DRIVE
}
272
BECODE
&
SERVO
Q102_SAA7372GP
8
i
AND
THAI302T
CURRENT
AMP
AND
EQ
HF
AMPLIFIER
W
QFO1
16
RCS]
RELAY
85
MASTER
UPC
SERVO
ANA
OTHER
CONTROL
SUBCODE
NS
48
SCL
19
SILO
47
SBA_
20
RAB/C7
18
CO7
Es)
RELAY!
32
MUTE
(ON/OFF)
8ISPLAY
(ON/OFF)
+5V
-SV
POWER
MUTING
RELAY
CONTROL,
~17V
-24V0
+11
-11V
POWER
SUPPLY
VOLTAGE
REGULATOR
VOLTAGE FALLING
DETECT
BIGITAL
SERVO
PROCESSOR
BEMOBULATOR
ERROR
CORRECTION
8.
FLAG
No.
DIFFERENTIAL
(No.
[Flag
Name
Function
0
|
MT-OUT
/Motor
Drive
Output
|_
1 |
HF-OUT
|TDA1302T
HF
signal
output
BAC
bere
3
HF-HPF_
{HF
Signal
HPF
Output
SFC
CLK
&
BATA
SELECT
OIF
GBOS
THAISS1A/S2
4
|
LDON
Lazer
Diotis
Control
Signal
@507,Q509
BIGTAL
FILTER
(OSPS6004)
5
6
RA
Radial
Motor
Control
Signal(PDM)
oO
7
FO
Focus
Motor
Control
Signal(PDM)
FILTER/NOISE
SHAPER/OVER
SAMPLING
=
8
SL___[Slegde
Motor
Control
Signal(PDM)
ma
10
|
_DIGO
[Digital
Audio
Output
Signal
ii
qe
11]
CDR7_|CD7(SAA7372)
Reset
Pulse
FRGO,
BCKO
wor
V3
J
=
12
SILD__|CD7(SAA7372)
Servo
Parte
enable
Signal
ATS,
LRCO
1h
Aas
D>
2
[13]
RAB7
_|CD7(SAA7372)
Decorde
and
DSP
parte
enable
signal
=
:
14|
SCDC_|CD7(SAA7372)
data
clock
out
signal
ok
TCW125FU
N
115
|
WCDC_
|CD7(SAA7372)
data
word
clock
out
signal
Shes
t
6
SIIO___|Servo
peb
and
Main
pcb
comunicateing
signal
+
17
rbd
tal
HOAM
6)
18
|
__LRCK
_|SM5844AF(Q309)
word
clock
signal
p
2X!
5X2
-
19
a
3
20
ms
21
DADC
_|CD7(SAA7372)
data
out(16bit)
signal
Biv
7681s
QN53
TAAIS41A/52
22
|
36MHz_|Sampling
frequency
48KHz/32KHz
Master
clock
3
beeen
23
|
33MHz_|Sampling
frequency
44KHz
Master
clock
X301.
X302
24
SDA
___
[From
CPU(QF01)
TO
TDA1315H(Q304)
data
signal
25
SCL
[From
CPU(QF01)
TO
TDA1315H(Q304)
clock
signal
B8sts
Oo
26
1
<=
27|
REST
|CPU(QF01)
Power
on
reset
SAME
LNG
CONVERTOR
wa
rE
28
|
__RCDK
__|Main
peb
SIIO
Latch
pulse
for(Q501,Q502,
0503)
(SMS844AF)
p
fi
ARs
oo
29
[7
RCDG_|SERVO
PCB
SIIO
Latch
pulse
for
QFO6
ZG
=
30
142,81
Ci
o
ES
ot
eS
@
faa)
=)
32
=
33
ma
d
34
oO
Seetlie
rf
35
|
OSG
IGPUIGEOT)
self
clock
kK
PU(QF01)
self
clock
2
Q304
TDA1315
jibe
cu
8
IECO
LLLLLL
y,
FA
8
COAX
5)
[Tir
|
aa
!
©
39
Y
BIGITAL
BIO
RECEIVER
rs
411
LOCK
—|TDA1315H(Q304)
unlock
delayed
output
signal
ZY
42
|
EMPA
|TDA1315H(Q304)
Deemphasis
output
signal
Ys
VELA:
7
lGi/DIG2
13
F532
OFT
6
43
|
DACD
_|CD7(SAA7372)
data
out
signal
12
LOCK,
14
FS44
38
BA/CD
15
F548
RESET
44
[
Z
$302,
(16/20B1T.
SW)
45
5
BIG
COAXI
46
is
hz
IN
[47
+
CORT
coat
Ait
48
|
_DMUT
_
{from
CPU(QFO1)
to
TDA1315H(Q304)
muting
signal
5
F932
fe
49
0p
See
Py
(M)
BIG
COAX2
50
FS32
_|TDA1315H(Q304)
32k
Sampling
detected
signal
wort
gel
1
TRAY
MOTOR
0377
arewi25eU
IN
51|
F844
__|TDA1315H(Q304)
44.1k
Sampling
detected
signal
|
|
iwaur
521
FS48__|TDA1315H(Q304)
48k
Sampling
detected
signal
py
BRIVE
OPT/COAX
53
SD
__/TDA1315H(Q304)
data
output
signal
(M)
OPT
54|
WS
_|TDA1315H(Q304)
Word
select
output
signal
SWITCH
IN
55
SCK___|TDA1315H(Q304)
data
clock
output
signal
se
56
FRQ2__|CD7(SAA7372)
Operating
clock
out
signal
57
|
UNLOCK
|TDA1315H(Q304)
unlock
output
signal
ayo!
Sa
ae
$301
|
58
bskslaalil
.
i
ella
ei
59
|
COAX2_|Digtal
/O
input
COAX2
signal
KEY
MATRIX
JTO1
-80
OPTO__|Digtal
1/O
input
OPTICAL
signal
1h
KEY?
PLAY/STOP/PAUSE/NEXT/PREV
10US
BIG
COAX
62
10,
KEY!
\
OP/CLOSE
VFI
VE2
OUT
63
BISPLAY
ARIVER
N
o4
SN
row
oigo_|
BIGTAL
ck
dae
66
|__
OUT+
_
Correct
phase
AUDIO
SIGNAL
IS
m8
QQ
Sor
aunees
ais
67
OUT-__Inverse
phase
AUDIO
SIGNAL
69
|
REMU_
[Relay
mute
by
POWER
ON/OFF
and
selecting
FILTER
mode
70
WYO
6-BT-97ZK)
a
ye
BIG
OPT
72
Io}
A
OUT
73
74
75
76
|
77
78
79|
768FS__|Master
clock
selecting
output
80
|
256FS_|Master
clock
divided
output
81
128FS
__|Master
clock
divided
output
82
4FS
176.4KHz
before
Word
select
signal
83
|
WSDA_
[Word
select
for
DSP(Q509)
and
DAC(QD03,QD53)_
176.4KHz
84
|
FMUT
__|Filter
select
switching
on
time
unenable
for
DAC
85
|
CLDA
|DSP(Q509)
data
clock
signal
86
|
BCEN
|DSP(Q509)
data
clock
enable
signal
for
DAC
87|
BCDA
__|for
DAC(QD03,QD53)
data
clock
5.6448MHz
88
89
90
91
92
93
|
94
95
|
96
97
98
99
10

Related product manuals