EasyManua.ls Logo

Marantz CD-7 - WIRING DIAGRAM Uu

Marantz CD-7
34 pages
Print Icon
To Next Page IconTo Next Page
To Next Page IconTo Next Page
To Previous Page IconTo Previous Page
To Previous Page IconTo Previous Page
Loading...
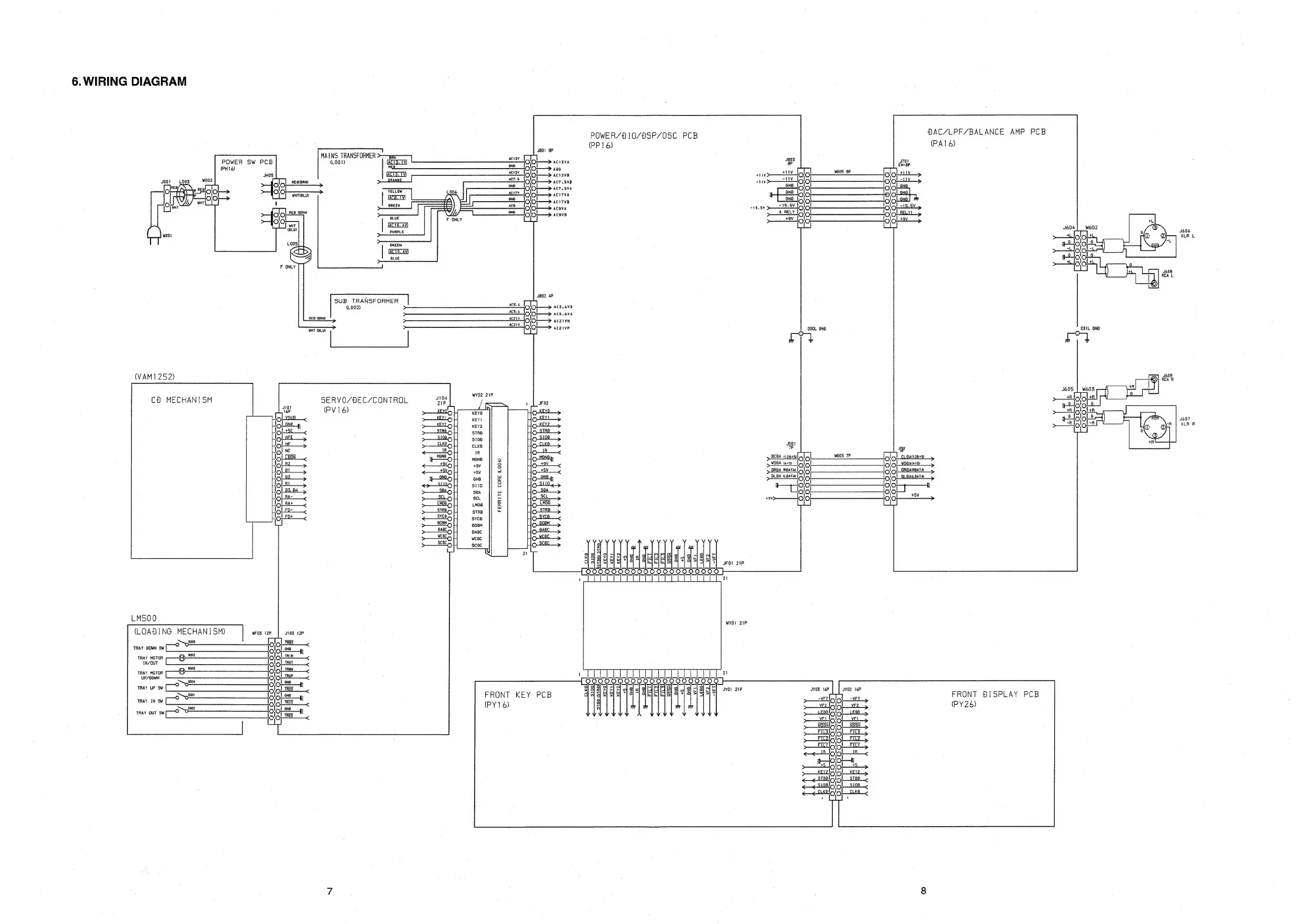
6.
WIRING
DIAGRAM
BAC/LPF/BALANCE
AMP
PCB
(PA16)
POWER/DIO/DSP/OSC
PCB
(PP 16)
POWER
SW
PCB
(PHT
6)
wa05
8P
JHOS
Se
rea
yoor
too3 W002
REB(BRN)
ov
o_O,
[ore
real
olol_s
(eae
Se
ioioh
Da}
WHT(BLU)
>
ACI
7VA
one
|
lo!
5
Oo
IL
one
[lol
aT
j
OL
ace
{o}o——————0
Oper
o>
AcovA
-15.8v
7)
{O-_—
0
REO
RN)
A
RELY
O——>
ACOVB
|
©
nN
1°)
BLUE
5
sv
Iolo!
Io
|
PURPLE
woot
:
802
4P
SUB
TRANSFORMER
aces
(L002)
_—
007
88
ev
etl
og
ACB.
6VA
REO
(BRN)
See
Tg
AC2IVN
acaiv
[Alot
-_—_—_
OO
0
>
ACZIVP
O30L
GND
O3IL
GND
WHT
(BLU)
| |
(VAM1252)
WY02
21P
C8
MECHANISM
SERVO/BEC/CONTROL
(PV
16)
>a
o-KELO_5
Oke
U
ppaizar
eee
H
OSI
L
O82
H
Q-tkk_5
501
ie
[|
OHNE
>BeaA_azersly
woos
lcupsazes
LI
3
ot
SWSOA
18
iS)
21
(
(619)
(|
g
o-ts
A
(RBATAI
|
lo!
5
|
w
O-NR
Loa
cota
Lalo!
H
5
O51
ara
|
ES
|
H
om
2):
ee:
e
scl
=
ost
5
$$$
$$}
[|
[3
ota,
m
L
ira
STRB
|
Ul
{|
LI
{|
JFO1
21P
2
LM500
wyOl
21P
(LOADING
MECHANIS™)
wros
12P
|
Jt03
12P
O——_——~<
TRAY
BOWN
SW
2
as
;
wo02
Lol rai
TRAY
MOTOR
Oat
IN/OUT
!
[ol
teot
TRAY
MOTOR
[ae
cae
ERR
{lol
ma
_<
UP/BOWN
=
Ot—~<
_
TRAY
uP
sw
[
2
2
1G
ras
a
om
Devel
ope
TRAY
IN
SW
VAIAI
mas
Se
ee
$002
Taio
ene
TRAY
OUT
SW
120s
es
FRONT
BISPLAY
PCB
(PY
26)
FRONT
KEY PCB
(PY
16)

Related product manuals