EasyManua.ls Logo

Marantz CD85 - Faultfinding Tree

Marantz CD85
56 pages
Print Icon
To Next Page IconTo Next Page
To Next Page IconTo Next Page
To Previous Page IconTo Previous Page
To Previous Page IconTo Previous Page
Loading...
4-1
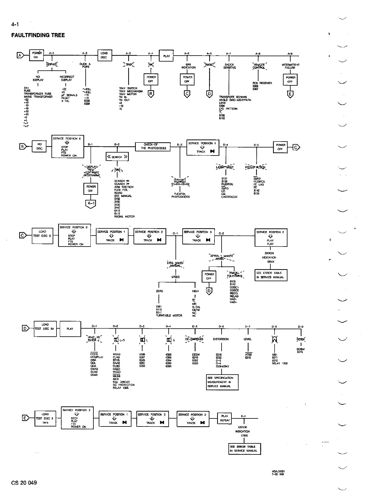
FAULTFINDING
TREE
~~•~c•c...-----~'---
~
1
,_,
Q[]
,_,
,4
B
,_,
,_,
1
DISC
1
1 1 1
1
""
'""
,o
DtsPLAY
~(
TRANSFORMER
FUSE
MAINS
TRANSFORMER
-2'
...
_.,
_.,
...
-rn
..
"
~,
~
..
'"""
""'
INCORRECT
1
DISPLAY
-2'
~,.,_
.,
"-KIU.
~p
SIGNALS
_,.
"""
...
X-TAL
6300
""
><
)"(
""
MIICATION
IT
T
TRAY
SWITCH
TRAY
MECHANISM
TRAY
MOTOR
8
w
™""'
"
-rn
_,
)"-"".:
!
TRANSPORT
SCR!:WS
ANGLE
DISC-LIGHTl'ATI-1
"''
OSK
EYE
PATTEAN
ii:
""'
6112
'RE!.!OJ'E
9ï_
ROS
RECEIVER
...
""
INTEAMITTENT
FAILURE
~
T
SERVICE
POSITION
O
LOAD
TEST
DISC
5
,o,o
TEST
DISC
5
..
~
es 20 049
"
"°"
"-"
Fl'S
POWER
ON
,_,
'-DlSPlAY,.~
'!>au'
-~~.J'J,
'
1
SERVICE
POSmON
O
S-2
((
SEARCH
))
'f'
SEARCH
«
"'""'
»
ARM
FRICTION
FLEX
FOIL
"'"'
SEE
MANUAL
""
,.
..
'"'
""
6118
6119
RADIAL
MOTOR
CHECK--OF
B---3
SERVICE
POSmON
1
THE
PHOTODIOOES
1-....::.;::_a 'Y
'--------'
TRACK
M
:m?i&L:
, 1 '
AB<R),C
PHOTODIODES
3107
""'
FLEXFOIL
SI/Ao
"'
""
LASEADIOOE
;g:us>~N-
. 1 -
51/Ao
"""°"
"
<AG
"
'"'
''"'
"
SERVICE
POSmON 1
SERVICE
POSITION
2
C--
I
SERVICE
POSITION
3
C-2
SERVICE
POSmoN E
,roe
''"
Fl'S
POWER
ON
SERVICE
POSITJON
0
"
sm,
"-"
Fl'S
POWER
ON
"
"
l-'.:..-1
"
~:;,....---~
"
o-,
0005
HFD/PLLH
Q~
00.
00,
,.,.
'"'
'°'"
TRACK
M
TRACK
M
D-2
0-3
.,,, ""
rus
""
EFAB
6385
- "''
cuao
""
0,SQ
WSBD
MÛsÏi
'"'
KILL
ORCUIT
DC
PROTECTION
RELAY
1305
"''
6110
6111
èiss.~·
)l0RWJ..... _
1
"'"'
TIJRNTABLE
MOTOR
SERVICE
POSITION
1
SERVICE
POSITJON
2
"
=CK
M
"
""'"
"
TRACK
M
PLAY
--ÇJ<.-'
fou:owtNC!
HIGH
ii:
""
X-TAL
"'"
MC
""
0-5
D-6
1 1
DE~~S
DISTORSION
DEEM
ro1s
ro19 ro22
""
0-3
""
,~
''''"'"
"'"
6112
oosc,
oosc,
REDIG
"""
a,o-
'"'•
SEE
SPEOFICATION
MEASUREMENT
IN
SERVICE
MANUAL
1
ÄTSiÏ
""
,_,
ERROR
INOICATION
'""
''"
""'"
INDJCATION
"""
SEE
ERROR
TABLE
tN
SERV!CE
...W.UAL
1
Y(
1
....
'"'
""
RELAY
1306
SEE
ERROR
TABLE
IN
SERVICE
MANUAL
MOA.01691
T-20 848
1
9i'BM:
1
DOOM
""
'

Related product manuals