EasyManua.ls Logo

Marantz CD85 - Page 26

Marantz CD85
56 pages
Print Icon
To Next Page IconTo Next Page
To Next Page IconTo Next Page
To Previous Page IconTo Previous Page
To Previous Page IconTo Previous Page
Loading...
"'
3192
"'
3205
"'
3210
' '
3704
"
3712
""
3717
"'
3722
' "
8103
"'
6108
'
'
6119
F20
"'
3193
"'
3206
"
3211
"'
3705
' "
3712
"'
371B
"'
3723
""
6103
' '
6109
""
"'
3201
" '
3207
"
3214
' '
3706
""
3713
"'
3719
"'
3725
"'
6104
"'
6110
""
"'
3202
"
3208
"'
3701
' '
3709
"
3714
'"
3720
"'
6101
' 5
6104
"'
6111
"'
"'
3204
" '
3209
"'
3702
"'
3710
"
3716
"'
3721
'"
6102
"'
6107
cu
6118
"'
"
"
"
"
"
" "
" "
"
,.
-------------------------------7
""
m..-,oo
20
RE1
1
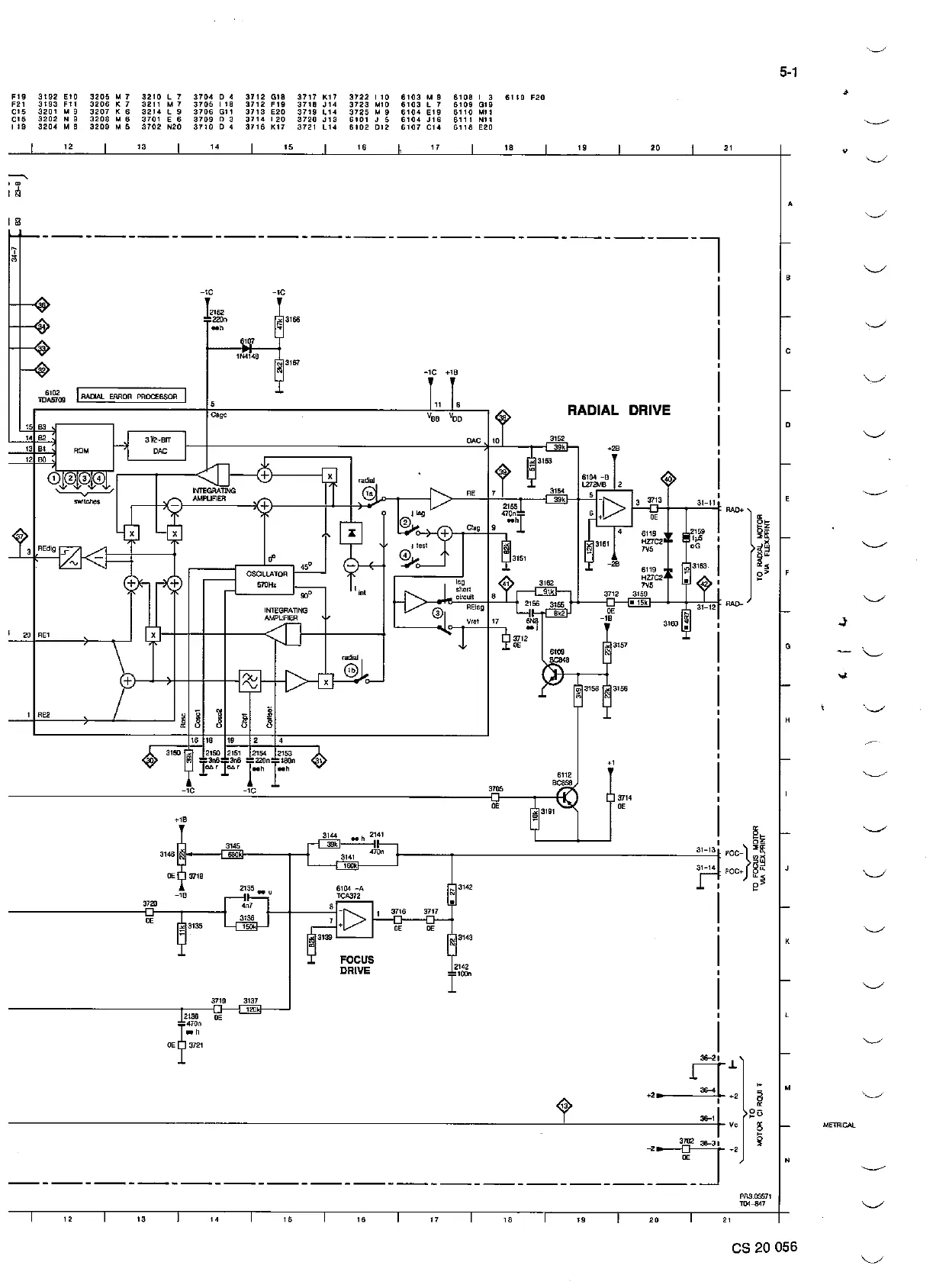
RADIAL
ERROR
PROCESSOR
al'z-err
-•c
12152
"""
1N414B
-,c
!_;
3166
~
3167
-~·
l"'""'----->--...J...---_J
j
~ ~
----""'""
c'•'-'-'---"'---
"~
"
a,so
"'
2,so
21s1
2154
215,3
!Il
,:3n6,:3n6
I"'"I'""
J.""-'
J.<J6r
Nh Nh
-1C -1C
·"
3145
3146
~
""
0,
"''
_,,
2135
NU
~,
'"'
;:!
3135
"''
~
'JI:.
OE
3721
"
'"'
,,.
radial
@
Nh
2141
3141
'"'
FOCUS
DRIVE
-lC
+1B
"
MC
!,;
3142
2142
I"'"
RADIAL
DRIVE
...
_,
'"'
"
'"'
"""
6112
'""'
\ll
3191
6118
,vc,
""
_,.
6119
HZ7C2
,.,,
3712
'"'
15k
0,
_,,
"'3157
:Il
3158
!:i
3156
.,
""
"
""
'
1
'
1
'
1
'
1
'
1
'
31-11
'"'
'"'
oG
~
3163
'
31-13
31-14
'
1
'
1
'
1
'
1
...,.
~~
,f
-~
i.
e
AAD-
~-
,oc-}>f
·,
FOC+
~~
~
"
~_Q~
~
o-
______________________________________________
L
___________
a&-,e::'+
,
0
_u
~
_____________________________
~=:,
_,
"
"
"
"
"
"
" " " "
§
PRS.05571
,,,._,,.,
5-1
'
C
"
'
es
20 056
~
V
'-.__,/
~
~
'-._/
~
>'--.,
...
>'-.../
'---"
METRICAL

Related product manuals