EasyManua.ls Logo

Marantz MA6100 - Schematic Diagram and Parts Location; Schematic Diagrams; Parts Location (Pattern Side)

Marantz MA6100
11 pages
Print Icon
To Next Page IconTo Next Page
To Next Page IconTo Next Page
To Previous Page IconTo Previous Page
To Previous Page IconTo Previous Page
Loading...
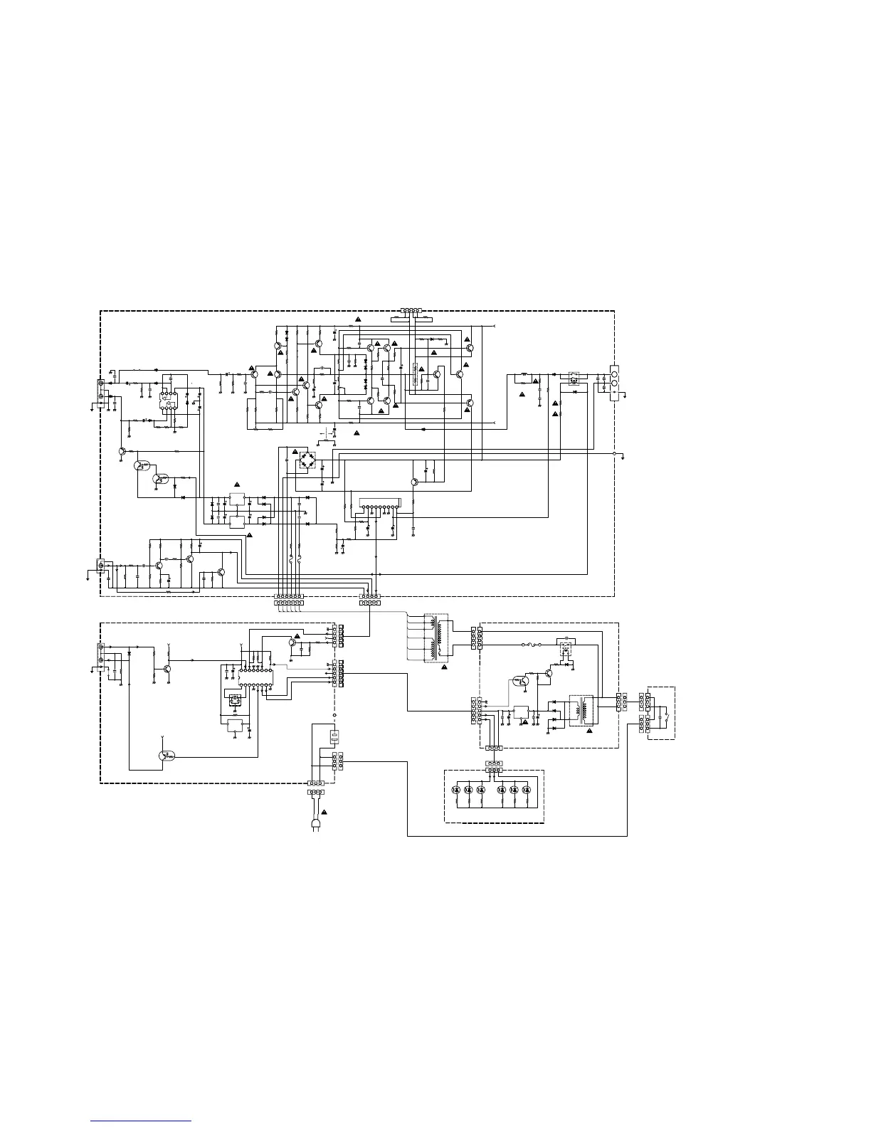
5. SCHEMATIC DIAGRAM AND PARTS LOCATION (Pattern Side)
3 4
1
2345678
9
10
11
1213141516
IN
OUT
RST
NC
PLED
SLED
DOUT
VSS
ON
NC
RSEN
NC
NC
VIN
DIN
VDD
1
234
1
23456
1
23456
G
I
O
G
I
O
1
234
5678
1
2345
1
2345
1
23
1
2
1
2
1
2
1
2
1
2
1
2
1
2
1
2
1
2345
1
2345
1
23
1
2
1
2
1
2
1
2
+5V
RST
+B
MUTE
IN
OUT
SUB
ST.
G
IN
IN
IN
1
23456789
1
234
1
234
1
234
1
234
1
23
QS04
QS03
RS10
RS09
C801
C802
CN05
CN04
CN01
JS01
XY01
CY03
RY01
CY04
CY01
CY02
W001
QY02
QN01
QY01
L001
QS02
QS01
QN02
J701
RS08
RS04
CN03
J702
CY71
CY72
CY73
CY74
CY75
CY76
CY77
CY05
JY71
JY01
JY02
JY03
QY03
QY71
QY72
QY73
RY02
RY03
RY04
RY05
RY71
RY72
RY73
RY74
RY75
RY76
RY77
RY78
RY79
RY80
RY81
RY82
RY06
RY08
RY09
QY04
C701
C702
C703
C704
C705
C706
C707
C709
C710
C711
C712
C713
C714
DN01
D701
D702
D703
D704
D705
D706
D707
LN01
L701
Q701
Q702
Q703
Q704
Q705
Q706
Q707
Q708
Q709
Q710
Q711
Q712
Q713Q714
Q715
RN02
RN03
RN04
RN05
RN06
RN07
RN08
RN09
RN10
RN11
RN01
R701
R702
R703
R704 R705
R706
R707
R708
R709
R710
R711
R713
R712
R714
R715
R716
R717
R718
R719
R720
R721
R722
R723
R724
R727
R728
R729
R730
R731
R732
R733R734
R735
R736
R737
R738
R739
R740
R741
R742
R743
J705
J703
JB01
JB71
JB72
JB73
JB74
Q801
CS04
CS02
CS06
CS07
DS01
DS02
RS01
RS02
RS03
RS05
RS07
RS11
RS06
CB51
JB51
SB51
C811
C810
D804
D805
D806
D807
C804
C803
D803
CN02
J704
Q802
DB51
DB52
DB53
DB54
LB51
LB52
CB55
CB56
DB56
JB52
JB53
JB54
JB56JB57
RB51
RB52
QB52
QB51
QB53
C708
C717
C718
C805
C806
D808
C807
C809
C808
D809
CB54
CB53
CB52
CY06
DY54 DY56 DY53
RY55
DY52
RY52
DY51
RY51
DY55
FB01
R745 R744
R746
RB53
RS12
R801
R802 R802
R801
C719
CS01
RY10
JB55
CS05
D801
D802
JY51
R725
R726
QY05
DY01
RY07
RY54 RY56 RY53
CS03
CS09
CS08
C715
C716
+B
-B
1M
10K
10000/71V
10000/71V
5MHZ
10K
0.01
0.01
S-806C
TA7317P
HU400ST002
TMP47C201P
2SC2878
A/B
NJM4558DD
47K
10K
0.01
2SA970
DTA114ES
/ETC
DTC114ES
/ETC
0.1
0.1
0.1
0.1
1000P
0.01
2SC536
SP/ETC
2SC536
SP/ETC
2SC536
SP/ETC
2SC536
SP/ETC
10K
22K
10K
22K
10K
4.7K
47K
22K
1.5K
470
4.7K
220K
22K
22K
22K
22K
47K
47K
47
2SC536
SP/ETC
47/10V
470p
220/100V
220/100V
‚PƒÊ‚e
100V
4.7/100V
0.01
0.1
0.1
120p
120p
1D3
*
*
HSS81
HSS81
5.1V
5.1V
HSS81
2SA970
2SA970
2SA1145
O/Y
2SC2705
O/Y
2SC2705
O/Y
2SA1360
2SC3423
2SC3419Y
2SC2705
O/Y
2SA1145
O/Y
2SC4793
2SA1837
2SC2922
2SA1216
2SC2240
820
2W
6.8K
33K
18K
33K
47K
4.7K
68K
10K
150K
820
2W
220k
33k
1k
270
4.7k
4.7k
56k
56k
1.2k
33k
12k
2.2k
47k
100
100
1k
22
22
220
1/2W
0.10 X2
5W
1k
2.2k
22k
22k
220 1/4W
10
1W
56k
10
NJM78L15
22P
CH
*
*
1K
100K
4.7K
10K
3.3K
100K
2.2K
0.01
0.01
1D3
1D3
1D3
1D3
0.01
0.01
1D3
*
NJM79L15
1D3
1D3
1D3
1D3
0.01
1000/35V
*
**
10K
10K
DTC114ES
/ETC
NJM78L05
2SA970
680P/100V
47/10V
0.01
500V
22/16V
47/16V
47/16V
2.2/50V
4.7/50V
10/16V
10/16V
10/16V
10/16V
1/50V
1/50V
*
*
*
*
*
*
2.2K 2.2K
47
100K
1K
1K
1K
1K
180
180
2.2K
4.74.7
22PF
500V
DUMMY
100p
470/35V
470/35V
1D3
4.7/50V
0.01
4.7/50V
1D3
0.1/50V
100/10V
0.1/50V
*
SEL1610C
STANDBY
SEL1610C
STANDBY
SEL1610C
STANDBY
150
DUMMY
DUMMY
DUMMY
DUMMY
SELU1E10CXM-S
POWER
U:4A 125V
N:T2A 250V
DUMMY DUMMY
*
220
1/2W
*
0.5A 125V
U ONLY
0.5A 125V
U ONLY
1
N ONLY
1
N ONLY
DUMMY
4.7/50V
DUMMY
4.7/50V
D5SB20
5A 200V
1D3
*
10
1/4W
10
1/4W
DTA114ES
1GWJ43
47K
470 470 470
47P
CH
N ONLY
470P
N ONLY
470P
N ONLY
0.01
N ONLY
0.01
N ONLY
+5V
+5V +5V
+5V
+5V
1
3
1
3
M1
M2
M3
S1
S2
M1
M2
M3
S1
S2
S3
S3
INPUT
INVERT
OUTPUT
RC-5 OUT
RC-5 IN
EXT CONT.IN
AC OUTLET
UN-SWITCHD
AC IN
MAIN TRANSF.
SUB TRANSF.
W002
W003
W004
W005
P701 MAIN
W006
0.5
3.7
5
5.0
2.9
0
5.0
5.0
0
5.0
0.3
AC14.4
15.7
5.0
2.9
0
14.9
15.5
-15.0
15.0
0
00
000
0
-14.0
-14.0
14.4
14.4
0
1.4
2.6
0.7
0.4
4.9
0
24.2
-24.2
+15V
-15V
AC17.9
AC17.9
AC47.0
AC47.0
64.0
-64.0
-0.6
0
0.8
1.0
1.3
2.9
64.0
-0.6
0
0.6
-62.0
-62.0
0
63.0
62.6
63.8
64.0
-63.8
-64.0
62.0
62.0
-62.0 -62.0
63.0
1.7
-63.0
-1.6
1.7
-1.6
-1.1
1.1
1.1
-1.1
0.6
-0.6
0
0
64.0
1.7
-1.6
-1.0
0.6
-0.5
0
0
5.0
5.0
0
RED LED
BLUE LED
PY01
µ
-com
PB01
BACK UP
PB51
SW.
PY51 LED
SPEAKER
+
-

Other manuals for Marantz MA6100

Related product manuals