EasyManua.ls Logo

Marantz MR2020 - Block Diagram; Microprocessor Data

Marantz MR2020
42 pages
Print Icon
To Next Page IconTo Next Page
To Next Page IconTo Next Page
To Previous Page IconTo Previous Page
To Previous Page IconTo Previous Page
Loading...
4-1 4-1
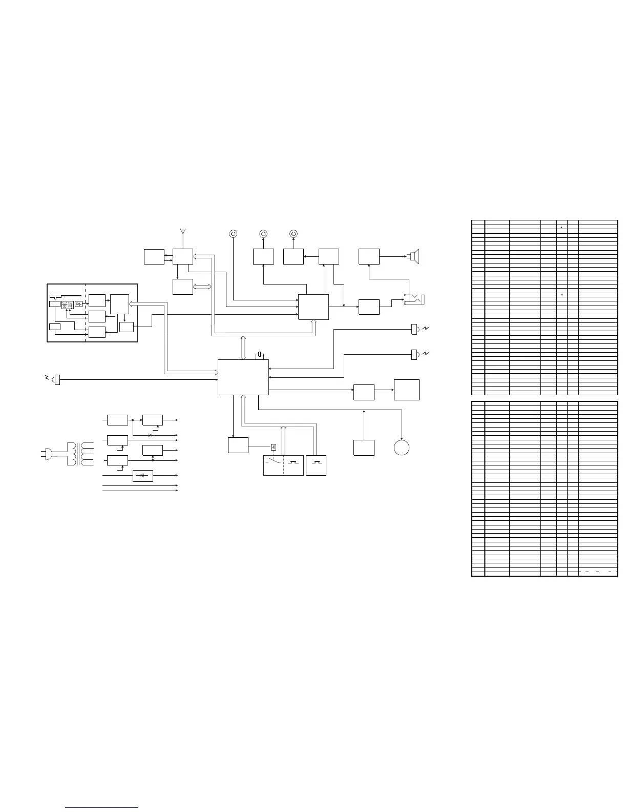
4-1 BLOCK DIAGRAM
DECODER/
U-COM
SAA7372
SERVO
DRIVER
TDA7073AT
HF AMP
TDA1300T
CD UNIT CD94V5B1
SLED
MOTOR
SPINDLE
MOTOR
PICK UP
FOCUS
PRE AMP
TE6321
H.P AMP
NJM4556
E.Q
BUFFER
NJM4558
POWER
AMP
AN7125
MAIN U-COM
F1(FL)
+8V,+5V
SUPPLY
SERVO
DRIVER
TDA7073AT
TRACK
TUNER 95
ECO 5
RDS
/02 ONLY
FL
DRIVER
BUFFER
NJM4558
TEMP
DETECT
M
FL
PANEL
DRIVE
IC
PQ30RV2 PQ05RF2
7808
PQ12RF2
2SA1307
+5V(CD)
+5V(U-COM)
+9.3V(POWER AMP)
+8V(CD)
+12V(PANEL MOTOR)
-26V(FL)
F2(FL)
+10V
+21V
+20V
AUX
IN
LINE
OUT
SUB
W.F
DISC
SENSOR(CD)
PANEL
OPN/CLS
ON TOP
KEY
BOTTOM
KEY
DISPLAY
PANEL
PHOTO
SENSOR
R.C
FAN
MOTOR
H.P(SW)
S.P
ANT.
A/D INPUT
RC5
U-COM
U-COM
U-COM
+5V
I2C
DAC
ANALOG
CD BOARD NAMI 8
AM STEREO
F ONLY
Pin No. Pin Name Signal Name I/O Active Slow Function
1 P10 (INT0) _POW_DWN INT L POWER DOWN
2 P11 (INT1) _STANDBY OUT L L POWER STANDBY
3 P12 (INT2) SDA IN/OUT - IIC SDA(for RDS,DSC)
4 P13 (DVO) SCL OUT H L IIC SCL(for RDS,DSC)
5 P14 DSC_MUTE OUT L L DSC MUTE
6 P15 _CD_STANDBY OUT L L CD STANDBY
7 P16 _MUTE2 OUT L L LINE MUTE
8P17 * IN - -N.C
9 TEST - IN - - GND
10 P21 (XTIN) 32.768kHz IN - - SUB X-TAL
11 P22 (XTOUT) 32.768kHz OUT - - SUB X-TAL
12 RESET _RESET IN L - RESET
13 XIN 8.0MHz IN - - X-TAL
14 XOUT 8.0MHz OUT - - X-TAL
15 VSS - GND - - GND
16 P20 (INT5) _HOLD IN L - HOLD IN
17 P30 (INT3) _RCIN INT - RC-5 BUS IN
18 P31 _RCOUT OUT L L RC-5 BUS OUT
19 P32 (SCK) TUNE_CLK OUT H L TUNER CLK
20 P33 (SI) _TUNE_WE OUT L - TUNER WRITE ENABLE
21 P34 (SO) TUNE_SDA IN/OUT H L TUNER SDA
22 P35 (HSCK) TUNER_ST_M ON IN H L TUNER STEREO/MONO
23 P36 CD7_RESET OUT L L CD7 RESET
24 P37 (HSO) DISC_IN IN H - DISC IN SENSOR
25 P00 SILD OUT L L CD7 CONTROL
26 P01 RAB OUT H L CD7 CONTROL
27 P02 SCL OUT H L CD7 CONTROL
28 P03 SDA IN/OUT H L CD7 CONTROL
29 P04 P_SEN_IN IN H - PANEL SENSOR IN
30 P05 P_SEN_OUT OUT H L PANEL SENSOR OUT
31 P06 P_MOTOR_P OUT H L PANEL MOTOR +
32 P07 P_MOTOR_N OUT H L PANRL MOTOR -
33 VDD +5V +5VS - - VDD
34 P60 (G15) * IN - - N.C
35 P61 (G14) * IN - - N.C
36 P62 (G13) AMPON OUT H L AMP POWER ON
37 P63 (G12) MUTE OUT H L MUTE
38 P64 (G11) _RDS_ON OUT H L RDS_POWER
39 P65 (G10) 11G OUT H - DIGIT OUT
40 P66 (G9) 10G OUT H - DIGIT OUT
Pin No. Pin Name Signal Name I/O Active Slow Function
41 P67 (G8) 9G OUT H - DIGIT OUT
42 P70 (G7) 8G OUT H - DIGIT OUT
43 P71 (G6) 7G OUT H - DIGIT OUT
44 P72 (G5) 6G OUT H - DIGIT OUT
45 P73 (G4) 5G OUT H - DIGIT OUT
46 P74 (G3) 4G OUT H - DIGIT OUT
47 P75 (G2) 3G OUT H - DIGIT OUT
48 P76 (G1) 2G OUT H - DIGIT OUT
49 P77 (G0) 1G OUT H - DIGIT OUT
50 P80 (S0) P16 OUT H - SEGMENT OUT
51 P81 (S1) P15 OUT H - SEGMENT OUT
52 P82 (S2) P14 OUT H - SEGMENT OUT
53 P83 (S3) P13 OUT H - SEGMENT OUT
54 P84 (S4) P12 OUT H - SEGMENT OUT
55 P85 (S5) P11 OUT H - SEGMENT OUT
56 P86 (S6) P10 OUT H - SEGMENT OUT
57 P87 (S7) P9 OUT H - SEGMENT OUT
58 P90 (S8) P8 OUT H - SEGMENT OUT
59 P91 (S9) P7 OUT H - SEGMENT OUT
60 P92 (S10) P6 OUT H - SEGMENT OUT
61 P93 (S11) P5 OUT H - SEGMENT OUT
62 P94 (S12) P4 OUT H - SEGMENT OUT
63 P95 (S13) P3 OUT H - SEGMENT OUT
64 P96 (S14) P2 OUT H - SEGMENT OUT
65 P97 (S15) P1 OUT H - SEGMENT OUT
66 VKK -B - - - Power Supply for FL
67 P40 (KEY0) Key0 IN H - Key0
68 P41 (KEY1) Key1 IN H - Key1
69 P42 (KEY2) Key2 IN H - Key2
70 P43 (KEY3) Key3 IN H - Key3
71 P44 (KEY4) Key4 IN H - Key4
72 P45 (KEY5) Key5 IN H - Key5
73 P46 (KEY6) Key6 IN H - Key6
74 P47 (KEY7) Key7 IN H - Key7
75 P50 (A/D) _DAVN IN L - RDS DAVAN
76 P51 (A/D) _PSWN IN L - RDS PSWN
77 P52 (A/D) _P_OPEN IN L - PANEL SW OPEN
78 P53 (A/D) _P_CLOSE IN L - PANEL SW CLOSE
79 P54 VER_SET0 IN - - 0:J 1:U10 0:U 09 1EU
80 P55 VER_SET1 IN - - 0: 0: 1: 1:
:F
:U
:K,KK
: /2
4-3 MICROPROCESSOR DATA