EasyManua.ls Logo

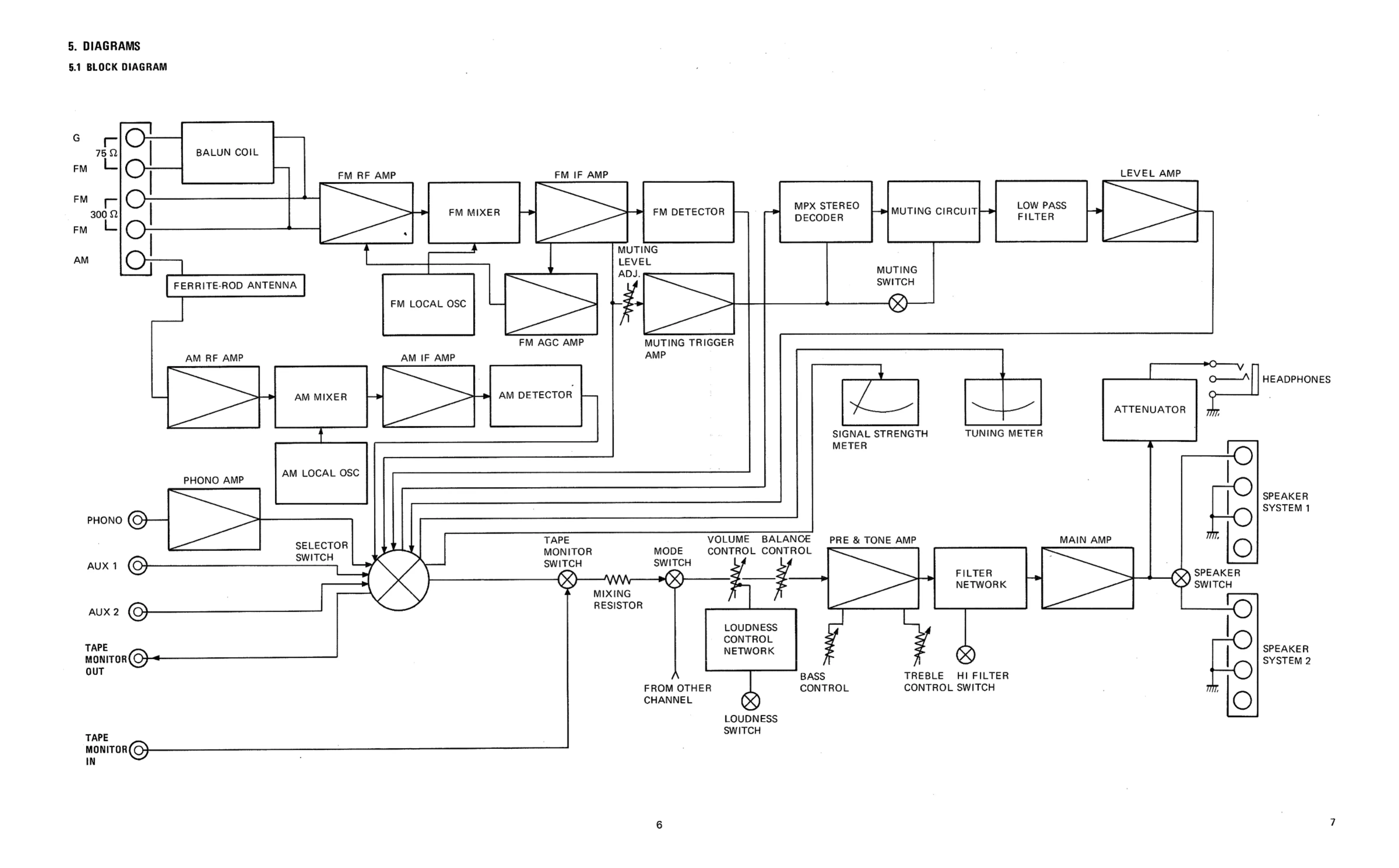
Marantz MR220 - 5. DIAGRAMS

Marantz MR220
34 pages
Print Icon
To Next Page IconTo Next Page
To Next Page IconTo Next Page
To Previous Page IconTo Previous Page
To Previous Page IconTo Previous Page
Loading...

Related product manuals