EasyManua.ls Logo

Marantz PM243 - Page 17

Marantz PM243
22 pages
Print Icon
To Next Page IconTo Next Page
To Next Page IconTo Next Page
To Previous Page IconTo Previous Page
To Previous Page IconTo Previous Page
Loading...
°
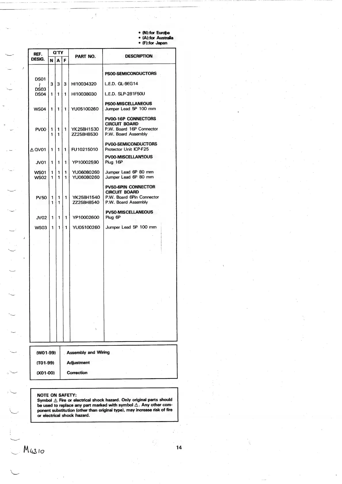
(N):for
Europe
©
(A):for
Australia
©
(F):for
Japan
Ey
Dso1
8
)
Hi10034320
~-
«|
DSO3
DSO4
|
1;
141
|
HI10038030
ws04
|
1
|
1}
1
|
YU05100260
YK258H
1530
22258H8530
wi
pvoo}11111
ye
A
QVO1
|
4111)
14
|
FU10215010
jvo1}411114
YP10002590
wsot
}1/1)17
wso2/}1/1/1
YU06080
260
YU06080260
YK258H
1540
-£2258H8540
PV5O0
{1
1}1/
1
JVO2
1111)1
7)
YP10002600
WSO03
|
1
|
1}
14
|
YUO5100260
ES
(W01-99)
(TO1
-99)
Adjustment
0
Se
2
Correction
(X01-00)
NOTE
ON
SAFETY:
PSOO-SEMICONDUCTORS
|.
L.E.D.
GL-9EG14
L.E.D.
SLP-281F50U
PSOO-MISCELLANEOUS
Jumper
Lead
5P
100
mm
PV00-16P
CONNECTORS
CIRCUIT
BOARD
P.W.
Board
16P
Connector
P.W.
Board
Assembly
PVO0-SEMICONDUCTORS
Protector
Unit
ICP-F25
PV0O0-MISCELLANSOUS
Plug
16P
Jumper
Lead
6P
80
mm
Jumper
Lead
6P
80
mm
PV50-6PIN
CONNECTOR
CIRCUIT
BOARD
|
P.W.
Board
6Pin
Connector
P.W.
Board
Assembly
PVSO-MISCELLANEOUS
_
Plug
6P
Jumper
Lead
5P
100
mm
_
Assembly
and
Wiring
Symbol
A
Fire
or
electrical
shock
hazard.
Only
original
parts
should
or
electrical
shock
hazard.
be
used
to
replace
any
part
marked
with
symbol
A.
Any
other
com-
ponent
substitution
(other
than
original
type),
may
increase
risk
of
fire
14

Related product manuals