EasyManua.ls Logo

Marantz PM243 - Veo Eee te a Ie Ee Ee Nea Ae Ee

Marantz PM243
22 pages
Print Icon
To Next Page IconTo Next Page
To Next Page IconTo Next Page
To Previous Page IconTo Previous Page
To Previous Page IconTo Previous Page
Loading...
Dita
snnatnii
RENT
Bie
acces
oS
iaon
To
DECK
~12.72V
~i2V
Ov
6
+/I5.33V
+15V
EASY
NC
To
TUNER
EASY
tIS.33V
+15V
Muara
Jvol
PVOO
P700
'
c70!
3.3/50V
RSOS
2.7k
O
!
:
al
:
+12.6V
RSI7
100
v4
RS22
}
|
|
mi
|
i
Fe
SSS
sae
ss
;
p
(7
Seba
RSil
330
-239.1mV\
hey
QSol
B384mV
RSID
4.7%
15k
;
RSI3
270
15k
1000p
RSO6
CS04
RFOS
MIX
VR
100k(B)x2
RS30
(RS3I
|
RS32
essa
560
3560
|
5603
560
a
ed
a
2d
pso1
|0so2
|
0S03/]
0S04
“|
TREBLE
MIDDLE’
BASS
POWER
JFOt
CFO2
RFOS
MIC
IN
3.3/50V.
ik
S
O
N
|
+
O
|
CFO!
22k
C714
22/16V
RSIO.
100k
R724
56k
Ho
Z
|
|
|
C804
csol
0.0!
C808
100/16V
6800/45V
CFO4
100p
0.01
33/10V
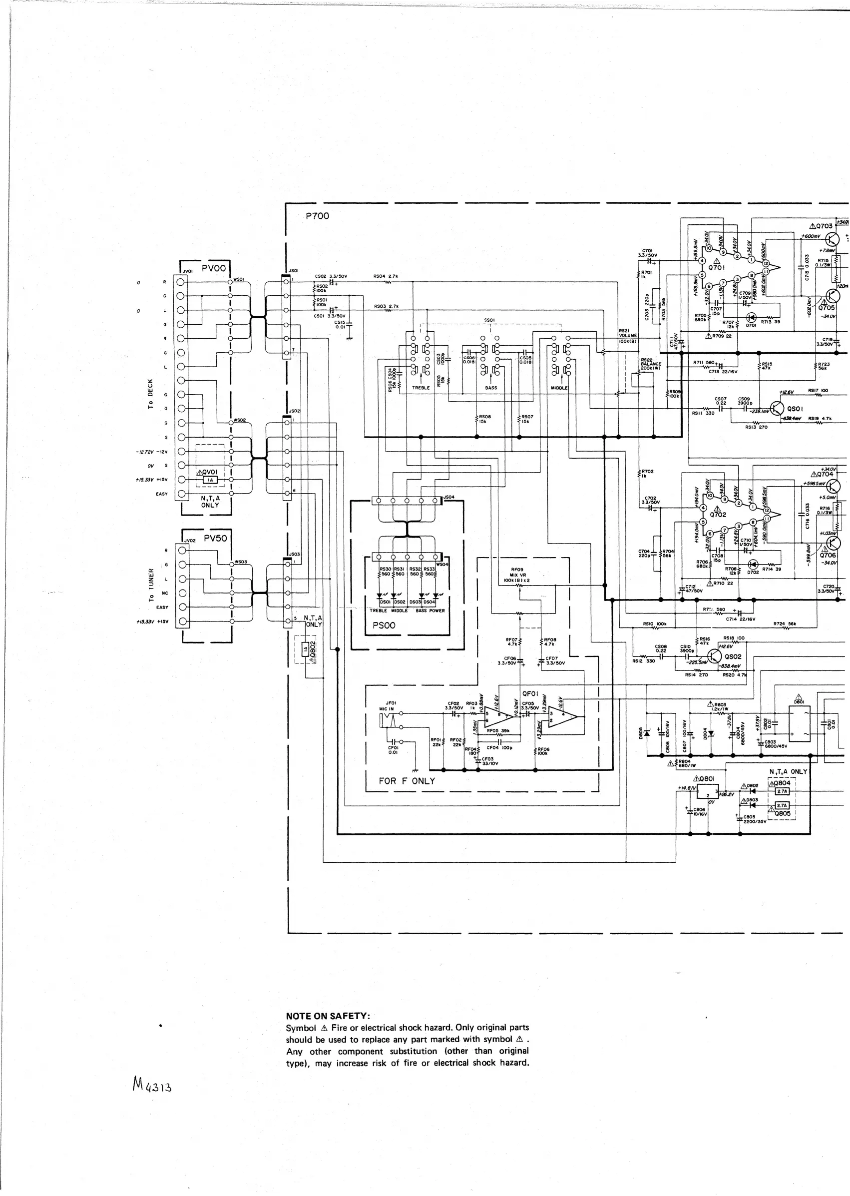
NOTE
ON
SAFETY:
|
:
Symbol
A
Fire
or
electrical
shock
hazard.
Only
original
parts
should
be
used
to
replace
any
part
marked
with
symbol
A
.
Any
other
component
substitution
(other
than
original
type),
may
increase
risk
of
fire
or
electrical
shock
hazard.
+
P|

Related product manuals