EasyManua.ls Logo

Marantz PM350 - Page 21

Marantz PM350
21 pages
Print Icon
To Previous Page IconTo Previous Page
To Previous Page IconTo Previous Page
Loading...
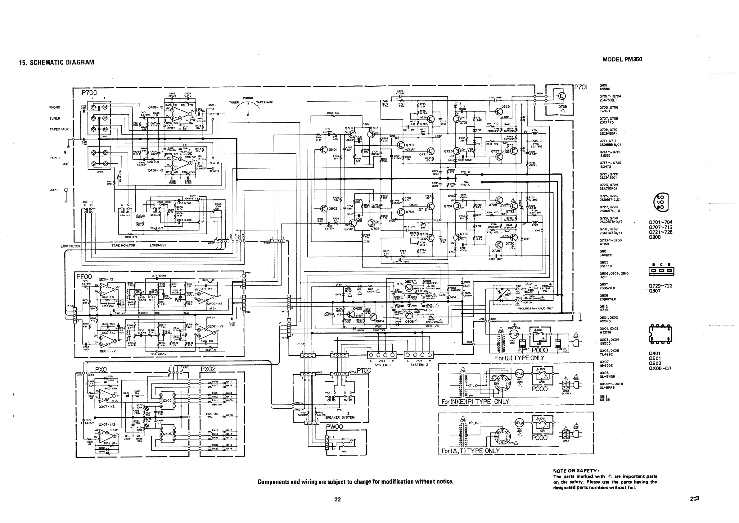
15.
SCHEMATIC
DIAGRAM
c40s
C407
3300p
0.012
C721
1S0P
TUNER
TAPE2/AUX
R409
22k
RANI
270k
sso2-1
PHONO
Q40i-
<3
cee:
res
i
mie
R707
33k
TUNER
Yate
Ra07
a)
Yate
a)
LTot
|
Call
6.1V
rai
TAPE2/AUX
54-6
ficorey
ot
597
:
un
@No!
cae
R44
a
|
E
RaIG
Se
560
b
ov
4
ihe
See
?
a
;
150
aes
:_
mn
C726
oe
.
70.067
R744
470
as
ai
46
Lan
9709
YY)
TA
0734
ea
C722
1SoP
1N
TAPE
|
OUT
Jo3l
ser
Ps
|
df
LOW
FILTER
|
a
TAPE
MONITOR
LOUDNESS
CEO!
3.
aed
ov,
RaI7
270
Jcai2-/28Y,
R808
1o/25v
(FR)
15k
33K
(PD
only
1
KEIO
RE2O
J2200p
22k
Lt
sVvO3
R
Lt
JVvO4
R
SYSTEM
|
SYSTEM
2
[
6
ee
a
ee
ee
ee
te
wrx
PTOO
|
|
For
(NENP)
TYPE_ONLY
Components
and
wiring
are
subject
to
change
for
modification
without
notice.
22
MODEL
PM350
40!
4558D
Q70i~~
0704
2SA750(E)
Q705
,Q706
1S2471
Q707,
Q708
2SC1775
Q709
,Q7I0
25¢945(P)
Q71,
Q7l2
2S0666(B,C)
Q713-~
Q716
1S1555
QTIT~
Q720
1s2472
Q721,Q722
2SC945(Q)
Q723,0724
2SA733(Q)
Pie
thy
;
fe)
2S0667(C,D
D
co
Q727,
0728
Oo
2SB647(C,D)
07290730
282578
(0,Y)
i
Q701~704
Q707~712
Q731,
Q732
2SA1103(0,Y)
Q721~728
Q733
~~
Q736
0808
wo06B
sol
S4VB20
Q805
DS135D
ace
=
gs08
0809,
0810
HZI6L
SSUeTILK
Q729~723
*
0807
gos
2SB625LK
Qsi2
HZI6L
QEO!,
QE02
4558D
QXx01,
x02
WZ038
QX03
,
@X04
151555
aiaase
0401
yeh
QE01
QE02
ne
Qx05~Q7
Qx08
|
GL-9NGS
axo9~
ox18
|
GL-9PR9
109:
Osi!
|
0S135
NOTE
ON
SAFETY:
The
parts
marked
with
A
are
important
parts
on
the
safety.
Please
use
the
parts
having
the
designated
parts
numbers
without
fail.
23

Related product manuals