EasyManua.ls Logo

Marantz PM8000 - Block Diagram

Marantz PM8000
29 pages
Print Icon
To Next Page IconTo Next Page
To Next Page IconTo Next Page
To Previous Page IconTo Previous Page
To Previous Page IconTo Previous Page
Loading...
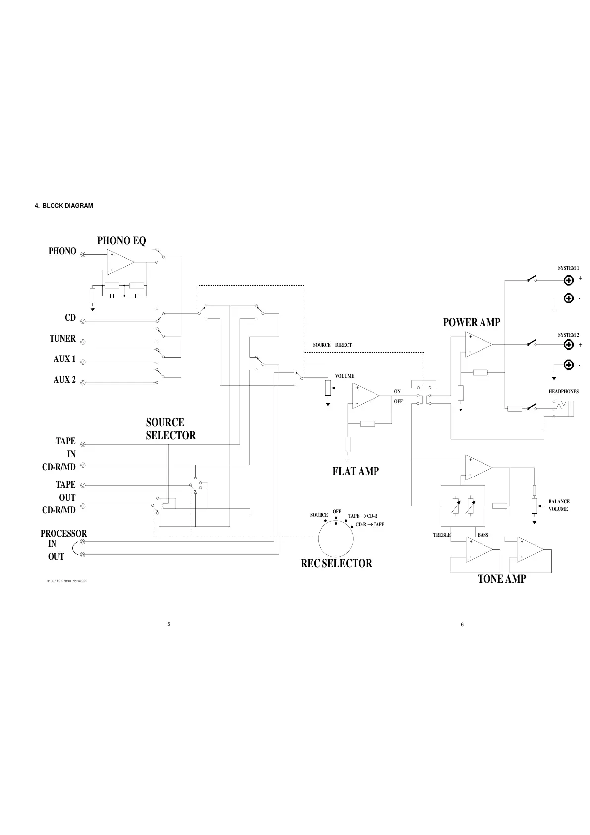
4. BLOCK DIAGRAM
5
6
BASSTREBLE
SELECTOR
SOURCE
OFF
ON
VOLUME
DIRECTSOURCE
POWER AMP
FLAT AMP
REC SELECTOR
SOURCE
TAPE CD-R
CD-R TAPE
OFF
PROCESSOR
OUT
IN
OUT
TAPE
CD-R/MD
IN
CD-R/MD
TAPE
TUNER
AUX 2
AUX 1
CD
PHONO
PHONO EQ
-
++
-
-
+
+
-
-
+
-
+
TONE AMP
BALANCE
VOLUME
HEADPHONES
SYSTEM 1
SYSTEM 2
+
-
-
+
3139 119 27890 dd wk922
All manuals and user guides at all-guides.com

Other manuals for Marantz PM8000

Related product manuals