EasyManua.ls Logo

Marantz PMD580 - Page 50

Marantz PMD580
68 pages
Print Icon
To Next Page IconTo Next Page
To Next Page IconTo Next Page
To Previous Page IconTo Previous Page
To Previous Page IconTo Previous Page
Loading...
72
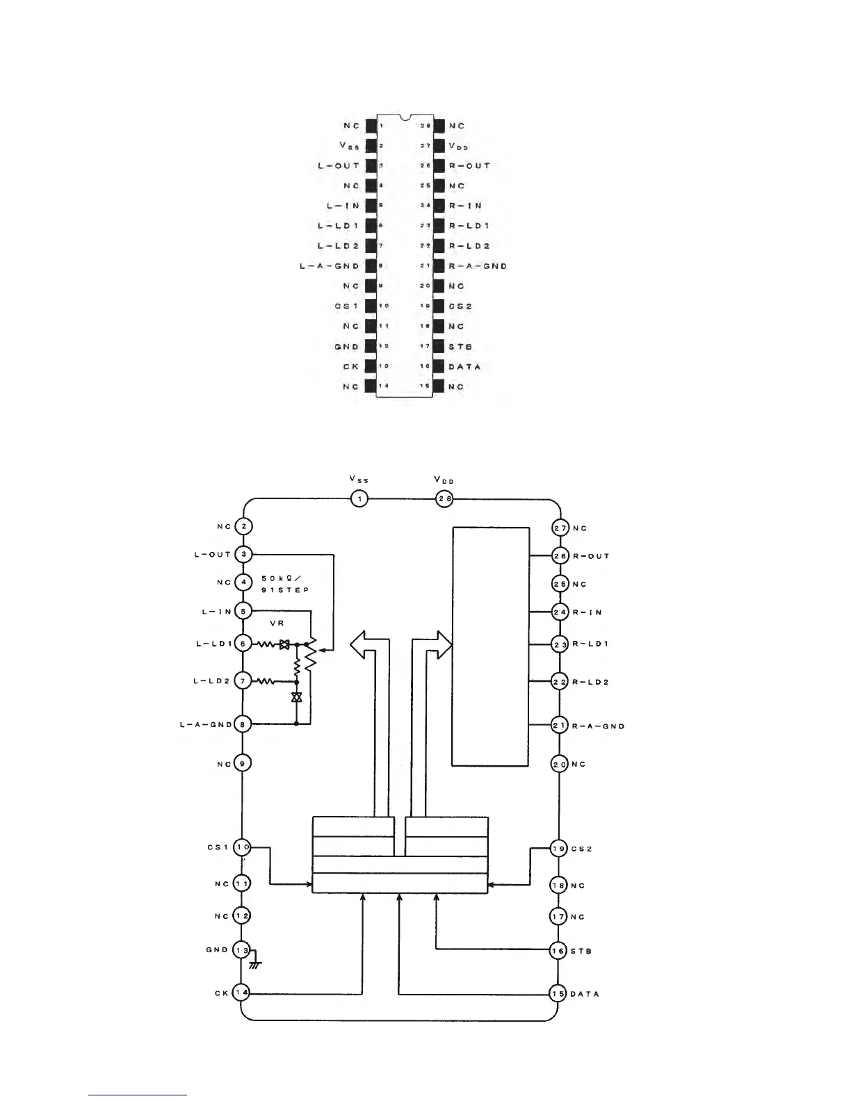
TC9459BFG
(TOP VIEW)
BLOCK DIAGRAM
Lch 7 to 91 decoder
Shift register (24 bit)
Rch 7 to 91 decoder
Lch latch circuit Rch latch circuit
Level shift circuit
Same as
L-ch

Related product manuals