EasyManua.ls Logo

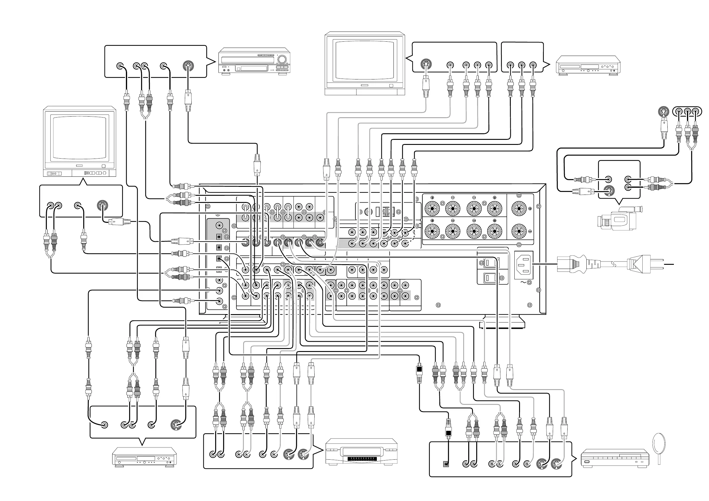
Marantz SR-18EX - VIDEO SYSTEM CONNECTIONS FOR VIDEO COMPONENTS

Marantz SR-18EX
47 pages
Print Icon
To Next Page IconTo Next Page
To Next Page IconTo Next Page
To Previous Page IconTo Previous Page
To Previous Page IconTo Previous Page
Loading...
AC INLET
AUDIO
AUDIO
AUDIO
AUDIO
REMOTE CONTROL
REMOTE CONTROL
VIDEO
COAX
OUT
OPT
OUT
DIG .1
IN
DIG .2
IN
MUL
MUL
TI
TI
ROOM
ROOM
DIG .4
IN
DIG .5
IN
DIG .6
IN
S - VIDEO
S - VIDEO
COMPONENT
COMPONENT
VIDEO
VIDEO
ANTENNA
ANTENNA
FM (75
)
GND AM
L
R
TV
TV
LD
LD
DVD
DVD
IN
IN
VCR1
VCR1
OUT
OUT
IN
IN
DSS/VCR2
DSS/VCR2
OUT
OUT
TV
TV
LD
LD
DVD
DVD
MONI.
MONI.
VCR1
VCR1
VCR1
VCR1
DSS / VCR2
DSS / VCR2
DSS / VCR2
DSS / VCR2
S2 IN
S2 IN
S2 IN
S2 IN
S2 IN
S2 IN
S2 IN
S2 IN
S2 IN
S2 IN
S2 OUT
S2 OUT
AUDIO
AUDIO
CD
CD
IN
IN
TAPE
APE
OUT
OUT
IN
IN
CD-R / MD
CD-R / MD
OUT
OUT
IN
OUT
OUT
REMOTE
REMOTE
MUL
MUL
TI
TI
Y Cr
Y Cr
DSS
/ VCR2
IN
DVD
IN
LR
LR
FRONT
(SURR. BACK)
SURROUND
SPEAKER SYSTEMS 8 OHMS
SPEAKER SYSTEMS 8 OHMS
DIG .3
IN
RL L
FRONT
FRONT
R L R
(FRONT)
(FRONT)
SURROUND
SURROUND
R
WOOFER
WOOFER
SUB
SUB
R L
MAIN
MAIN
IN
OUT
OUT
PRE
PRE
SURROUND
SURROUND
FRONT
FRONT
L
SURROUND BACK
SURROUND BACK
L R
CENTER
CENTER
OUT
OUT
OUT
OUT
WOOFER
SUB
DIRECT IN
CENTER SURROUND
RL
MONI.
MONI.
ROOM
ROOM
MUL
MUL
TI
TI
MONITOR
OUT
IN
VCR1
CENTER
AC OUTLETS
120V 60HZ
SWITCHED 120W 1A
UNSWITCHED 120W 1A
LR
AUDIO
OUT
VIDEO
OUT
S-VIDEO
OUT
LR
AUDIO
OUT
DIGITAL
OUT
VIDEO
OUT
S-VIDEO
OUT
LR
AUDIO
OUT
AUDIO
IN
LR
VIDEO
OUT IN
S-VIDEO
OUT IN
LD PLAYER
DVD PLAYER
SATELLITE TUNER or VCR2
VCR
TV
VIDEO SYSTEM CONNECTIONS FOR VIDEO COMPONENTS
VIDEO
OUT
AUDIO
OUT
AUX INPUT
VIDEOS2-VIDEO L AUDIO R
(FRONT AUX CONNECTIONS
)
L
R
LR
AUDIO
OUT
DIGITAL
OUT
AUDIO
IN
LR
VIDEO
OUT IN
S-VIDEO
OUT IN
LR
AUDIO
OUT
DIGITAL
OUT
VIDEO
OUT
S-VIDEO
OUT
MONITOR TV
Y Cr Y CrCb
Cb
Cb
DVD PLAYER,
SATELLITE TUNER or VCR
VIDEO CAMERA
S-VIDEO
IN
COMPONENT
VIDEO IN
COMPONENT
VIDEO OUT
VIDEO
IN
i
Connect the provided
detachable power cord
To household
power outlet

Related product manuals