EasyManua.ls Logo

Marantz SR-18EX - OTHER CONNECTIONS

Marantz SR-18EX
47 pages
Print Icon
To Next Page IconTo Next Page
To Next Page IconTo Next Page
To Previous Page IconTo Previous Page
To Previous Page IconTo Previous Page
Loading...
iii
AC INLET
AUDIO AUDIO REMOTE CONTROL
VIDEO
COAX
OUT
OPT
OUT
DIG .1
IN
DIG .2
IN
MUL
MUL
TI
TI
ROOM
ROOM
DIG .4
IN
DIG .5
IN
DIG .6
IN
S - VIDEO
COMPONENT VIDEO
ANTENNA
FM (75
)
GND AM
L
R
TV
TV
LD
LD
DVD
DVD
IN
IN
VCR1
VCR1
OUT
OUT
IN
DSS/VCR2
OUT
TV
TV
LD
LD
DVD
DVD
MONI.
MONI.
VCR1
VCR1
VCR1
VCR1
DSS / VCR2 DSS / VCR2
S2 IN
S2 IN
S2 IN
S2 IN
S2 IN
S2 IN
S2 IN
S2 IN
S2 IN
S2 IN
S2 OUT
S2 OUT
AUDIO
AUDIO
CD
CD
IN
IN
TAPE
APE
OUT
OUT
IN
CD-R / MD
OUT
IN
OUT
REMOTE
REMOTE
MUL
MUL
TI
TI
Y Cr
Y Cr
DSS
/ VCR2
IN
DVD
IN
LR
LR
FRONT
(SURR. BACK)
SURROUND
SPEAKER SYSTEMS 8 OHMS
SPEAKER SYSTEMS 8 OHMS
DIG .3
IN
RL L
FRONT
FRONT
R L R
(FRONT)
(FRONT)
SURROUND
SURROUND
R
WOOFER
WOOFER
SUB
SUB
R L
MAIN
MAIN
IN
IN
OUT
OUT
PRE
PRE
SURROUND
SURROUND
FRONT
FRONT
L
SURROUND BACK
SURROUND BACK
L R
CENTER
CENTER
OUT
OUT
OUT
OUT
WOOFER
SUB
DIRECT IN
CENTER SURROUND
RL
MONI.
MONI.
ROOM
ROOM
MUL
MUL
TI
TI
MONITOR
OUT
IN
VCR1
CENTER
AC OUTLETS
AC OUTLETS
120V 60HZ
120V 60HZ
SWITCHED 120W 1A
SWITCHED 120W 1A
UNSWITCHED 120W 1A
UNSWITCHED 120W 1A
L
R
LS
RS
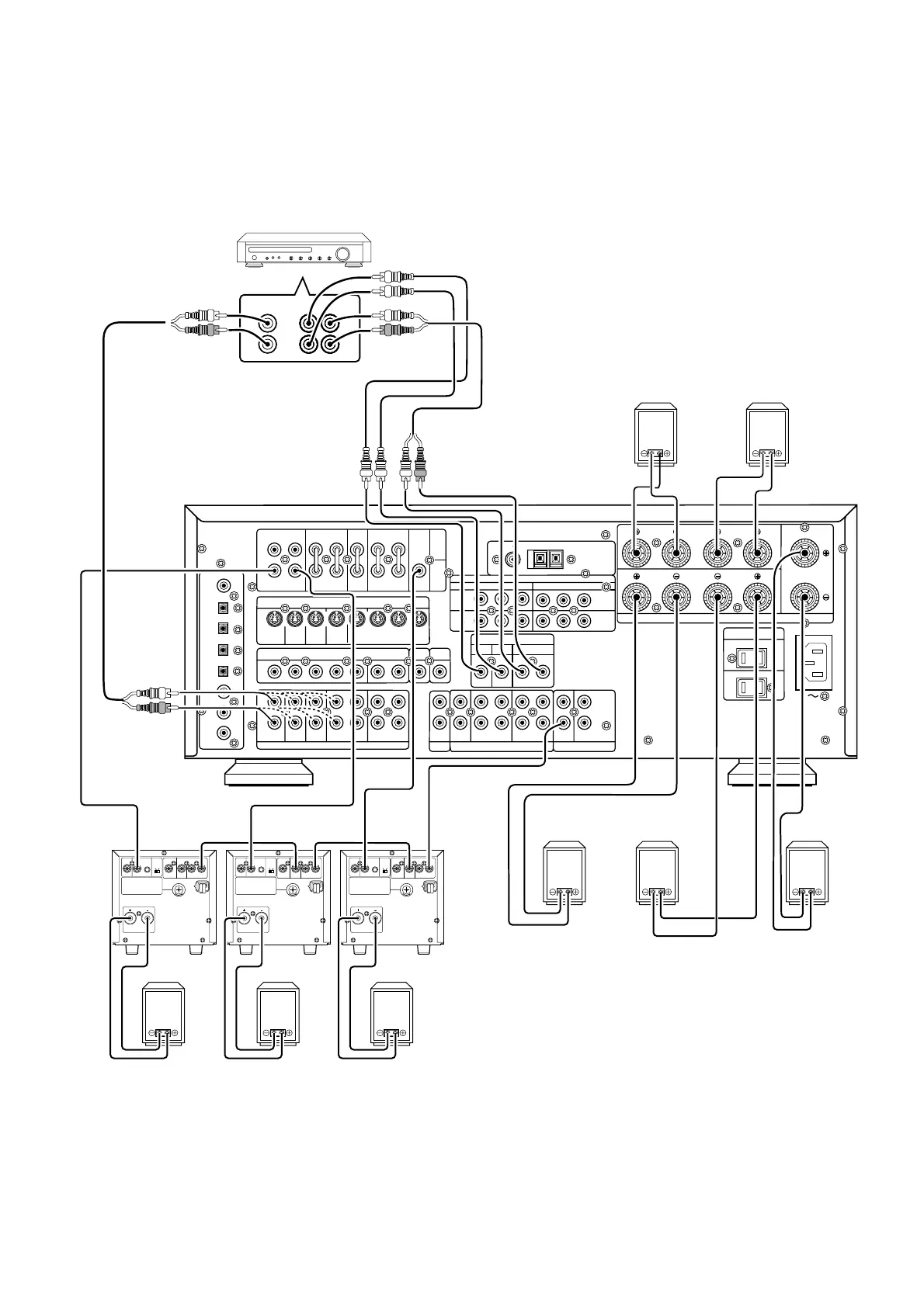
OTHER MULTI CHANNEL PROCESSOR
OTHER CONNECTIONS
(Connectio with external 3ch amplifiers for Front-L, Front-R and subwoofer)
INVERT
OUTPUT
INPUT
LEVEL
BTL REMOTE CONT.EXT. CONT. IN
VIDEO/
+5~13V DC
SYSTEM OUT OUT
INPUT
MASTER SLAVE
MIN MAX
IN
F
U
S
E
SPEAKER SYSTEM
MINIMUM 4 OHMS
INVERT
OUTPUT
INPUT
LEVEL
BTL REMOTE CONT.EXT. CONT. IN
VIDEO/
+5~13V DC
SYSTEM OUT OUT
INPUT
MASTER SLAVE
MIN MAX
IN
F
U
S
E
SPEAKER SYSTEM
MINIMUM 4 OHMS
INVERT
OUTPUT
INPUT
LEVEL
BTL REMOTE CONT.EXT. CONT. IN
VIDEO/
+5~13V DC
SYSTEM OUT OUT
INPUT
MASTER SLAVE
MIN MAX
IN
F
U
S
E
SPEAKER SYSTEM
MINIMUM 4 OHMS
C
SW
POWER AMPRIFIR
MA700
Front (L) speaker Front (R) speaker
Subwoofer speaker
Surround (R)
speaker
Surround Back
(R) speaker
Surround Back
(L) speaker
Surround (L)
speaker Center speaker

Related product manuals