EasyManua.ls Logo

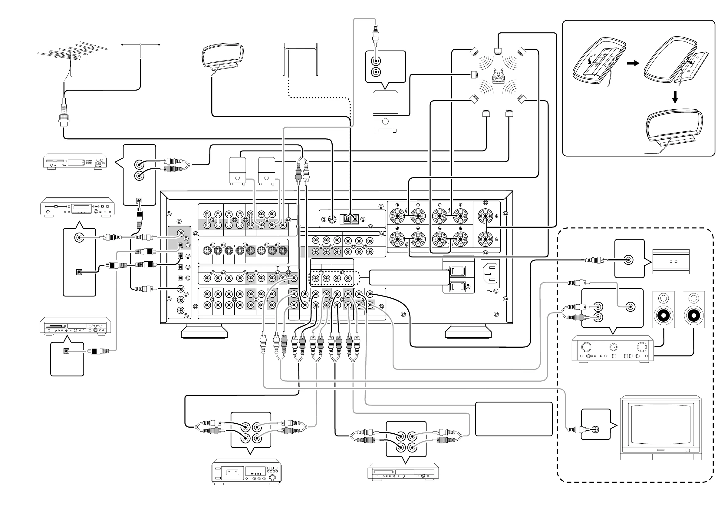
Marantz SR-18EX - AUDIO SYSTEM CONNECTIONS FOR AUDIO COMPONENTS

Marantz SR-18EX
47 pages
Print Icon
To Next Page IconTo Next Page
To Next Page IconTo Next Page
To Previous Page IconTo Previous Page
To Previous Page IconTo Previous Page
Loading...
AC INLET
AUDIO
AUDIO
AUDIO REMOTE CONTROL
REMOTE CONTROL
VIDEO
VIDEO
COAX
OUT
OPT
OUT
DIG .1
IN
DIG .2
IN
MUL
MUL
TI
TI
ROOM
ROOM
DIG .4
IN
DIG .5
IN
DIG .6
IN
S - VIDEO
S - VIDEO
COMPONENT
COMPONENT
VIDEO
ANTENNA
ANTENNA
FM (75
)
GND AM
L
R
TV
TV
LD
LD
DVD
DVD
IN
IN
VCR1
VCR1
OUT
OUT
IN
IN
DSS/VCR2
DSS/VCR2
OUT
OUT
TV
TV
LD
LD
DVD
DVD
MONI.
MONI.
VCR1
VCR1
VCR1
VCR1
DSS / VCR2
DSS / VCR2
DSS / VCR2
DSS / VCR2
S2 IN
S2 IN
S2 IN
S2 IN
S2 IN
S2 IN
S2 IN
S2 IN
S2 IN
S2 IN
S2 OUT
S2 OUT
AUDIO
AUDIO
CD
CD
IN
IN
TAPE
APE
OUT
OUT
IN
IN
CD-R / MD
CD-R / MD
OUT
OUT
IN
OUT
OUT
REMOTE
REMOTE
MUL
MUL
TI
TI
Y Cr
Y Cr
Cr
DSS
/ VCR2
IN
DVD
IN
LR
LR
FRONT
(SURR.BACK)
SURROUND
SPEAKER SYSTEMS 8 OHMS
SPEAKER SYSTEMS 8 OHMS
DIG .3
IN
RL L
FRONT
FRONT
R L R
(FRONT)
(FRONT)
SURROUND
SURROUND
R
WOOFER
WOOFER
SUB
SUB
R L
MAIN
MAIN
IN
OUT
OUT
PRE
PRE
SURROUND
SURROUND
FRONT
FRONT
L
SURROUND BACK
SURROUND BACK
L R
CENTER
CENTER
OUT
OUT
OUT
OUT
WOOFER
SUB
DIRECT IN
CENTER SURROUND
RL
MONI.
MONI.
ROOM
ROOM
MUL
MUL
TI
TI
MONITOR
OUT
IN
VCR1
CENTER
AC OUTLETS
120V 60HZ
SWITCHED 120W 1A
UNSWITCHED 120W 1A
OUT IN
L
R
L
R
OUT IN
L
R
L
R
NORMAL
INPUT
INVERT
OUTPUT
LINE IN RC IN
MULTI ROOM SPEAKER
MAIN AMP
(For MULTI ROOM)
MULTI
ROOM
INPUT
CD PLAYER
TAPE DECK
SUBWOOFER
AMPLIFIER
MA6100
FM EXTERNAL ANTENNA FM FEEDER ANTENNA
AM EXTERNAL ANTENNAAM LOOP ANTENNA
SURROUND SPEAKER
SUBWOOFER
CENTER SPEAKER
SPEAKER
SYSTEM
• When using the FM antenna
attach to this apparatus
To a component with REMOTE
(Marantz RC-5 D-BUS) jacks
Refer to “OTHER CONNECTIONS”
(Page iii)
Surround
Left
Surround
Right
Surround
Back Left
Surround
Back Right
Left
Right
(L)
(R)
Assemble the AM loop antenna as
shown in the figure before use
OUTPUT
L
R
L
R
AUDIO SYSTEM CONNECTIONS FOR AUDIO COMPONENTS
IR RECEIVER
MULTI ROOM
CD Recorder
MD PLAYER
CD RECORDER/MD PLAYER
DIGITAL
INPUT
DIGITAL
OUTPUT
DIGITAL
INPUT
Refer to “OTHER CONNECTIONS”
(Page iii)
DIGITAL
OUTPUT
MONITOR TV for MULTI ROOM
VIDEO
IN
ii
Suuround Back
AMPLIFIER
MA6100

Related product manuals