EasyManua.ls Logo

Marantz SR-53 - Note on Safety

Marantz SR-53
23 pages
Print Icon
To Previous Page IconTo Previous Page
To Previous Page IconTo Previous Page
Loading...
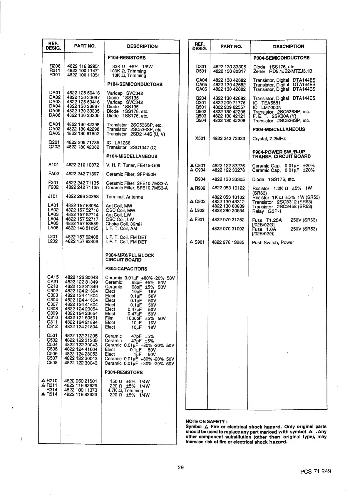
REF.
DESIG.
PART
NO.
DESCRIPTION
R211
R301
DAO2
DAO3
DA04
DA05
DAO06
QA02
QA03
Q201
Q202
CA21
C210
C302
C303
C304
C307
C308
C309
C310
C311
C312
C501
C502
C504
C505
C506
C507
C508
A
R311
R314
4A
R514
4822
116
82951
4822
100
11471
4822
100
11351
4822
125
50416
4822
130
33697
4822
125
50416
4822
130
33697
4822
130
33305
4822
130
33305
4822
130
42298
4822
130
42298
4822
130
61892
4822
209
71785
4822
130
42082
4822
210
10372
4822
242
71397
4822
242
71135
4822
242
71135
4822
266
30298
4822
157
63084
4822
157
52716
4822
157
52714
4822
157
52717
4822
157
53589
4822
148
81095
4822
157
62408
4822
157
62409
4822
122
30043
4822
122
31349
4822
122
31349
4822
124
21894
4822
124
41604
4822
124
41604
4822
124
41604
4822
124
23054
4822
124
23054
4822
121
50591
4822
124
21894
4822
124
21894
4822
122
31205
4822
122
31205
4822
122
30043
4822
124
41604
4822
124
23053
4822
122
30043
4822
122
30043
4822
050
21501
4822
116
83929
4822
100
11373
4822
116
83929
P104-RESISTORS
33K
Q
+5%
1/6W
100K
Q,
Trimming
10K
Q,
Trimming
P104-SEMICONDUCTORS
Varicap
SVC342
Diode
1SS135
Varicap
SVC342
Diode
1$S135
Diode
1SS176,
etc.
Diode
1SS176,
etc.
Transistor
2SC536SP,
etc.
Transistor
2SC536SP,
etc.
Transistor
2SD2144S
(U,
V)
IC
LA1266
Transistor
2SC1047
(C)
P104-MISCELLANEOUS
V.H.
F.
Tuner,
FE415-Go9
Ceramic
Filter,
SFP450H
Ceramic
Filter,
SFE10.7MS3-A
Ceramic
Filter,
SFE10.7MS3-A
Terminal,
Antenna
Ant
Coil,
MW
OSC
Coil,
MW
Ant
Coil,
LW
OSC
Coil,
LW
Choke
Coil,
39mH
|.
F.
T.
Coil,
AM
1.
F.
T.
Coil,
FM
DET
1.
F.
T.
Coil,
FM
DET
P304-MPX/PLL
BLOCK
CIRCUIT
BOARD
P304-CAPACITORS
0.01uF
+80%
-20%
50V
Ceramic
Ceramic
68pF
+5%
50V
Ceramic
68pF
+5%
50V
Elect
10uF
16V
Elect
O.1pF
50V
Elect
O.1nF
50V
Elect
O.1nF
50V
Elect
0.47uF
50V
Elect
0.47uF
50V
Film
1000pF
+5%
50V
Elect
10uF
16V
Elect
10uF
16V
Ceramic
47pF
+5%
Ceramic
47pF
+5%
Ceramic
0.01pF
+80%
-20%
50V
Elect
O.1pF
50V
Elect
ipF
50V
Ceramic
0.01uF
+80%
-20%
50V
Ceramic
0.01uF
+80%
-20%
50V
P304-RESISTORS
150Q
45%
1/4W
2202
+5%
1/4W
4.7K
Q,
Trimming
2202
+5%
1/4W
PART
NO.
DESCRIPTION
4822
130
33305
4822
130
80317
4822
130
42682
4822
130
42682
4822
130
42682
4822
130
42682
4822
209
71776
4822
209
62557
4822
130
42298
4822
130
42121
4822
130
42298
4822
242
72333
4822
122
33276
4822
122
33276
4822
130
33305
4822
053
10122
4822
053
10102
4822
130
43312
4822
130
60839
4822
280
20534
4822
070
31252
4822
070
31002
4822
276
13285
NOTE
ON
SAFETY
:
f
{/02B/02G]
Push
Switch,
Power
P304-SEMICONDUCTORS
Diode
1SS176,
etc.
Zener
RDS5.1JB2/MT2ZJ5.1B
Transistor,
Digital
DTA144ES
Transistor,
Digital
DTA144ES
Transistor,
Digital
DTA144ES
Transistor,
Digital
DTA144ES
Ic
81
TEA5SS:
IC
LM7000N
Transistor
2SC536SP,
etc.
F,E.T.
2SK30A
(Y
Transistor
2SC536SP,
etc.
P304-MISCELLANEOUS
Crystal,
7.2MHz
P904-POWER
SW./B-UP
TRANSF.
CIRCUIT
BOARD
Ceramic
Cap.
0.01pF
+20%
Ceramic
Cap.
0.01pF
+20%
Diode
1SS176,
etc.
Resistor
1.2K
Q
+5%
1W
SR63)
esistor
1K
Q
+5%
1W
(SR53)
Transistor
2SC3312
(SR63
Transistor
2SC2458
(SR53
Relay
Fuse
11.25A
G5P-1
250V
(SR63)
(02B/02G
!
250V
(SRS53)
use
1.0A
Symbol
A
Fire
or
electrical
shock
hazard.
Only
original
parts
should
be
used
to
replace
any
part
marked
with
symbol
A
.
Any
other
component
substitution
(other
than
original
type),
may
increase
risk
of
fire
or
electrical
shock
hazard.
29
PCS
71
249

Related product manuals