EasyManua.ls Logo

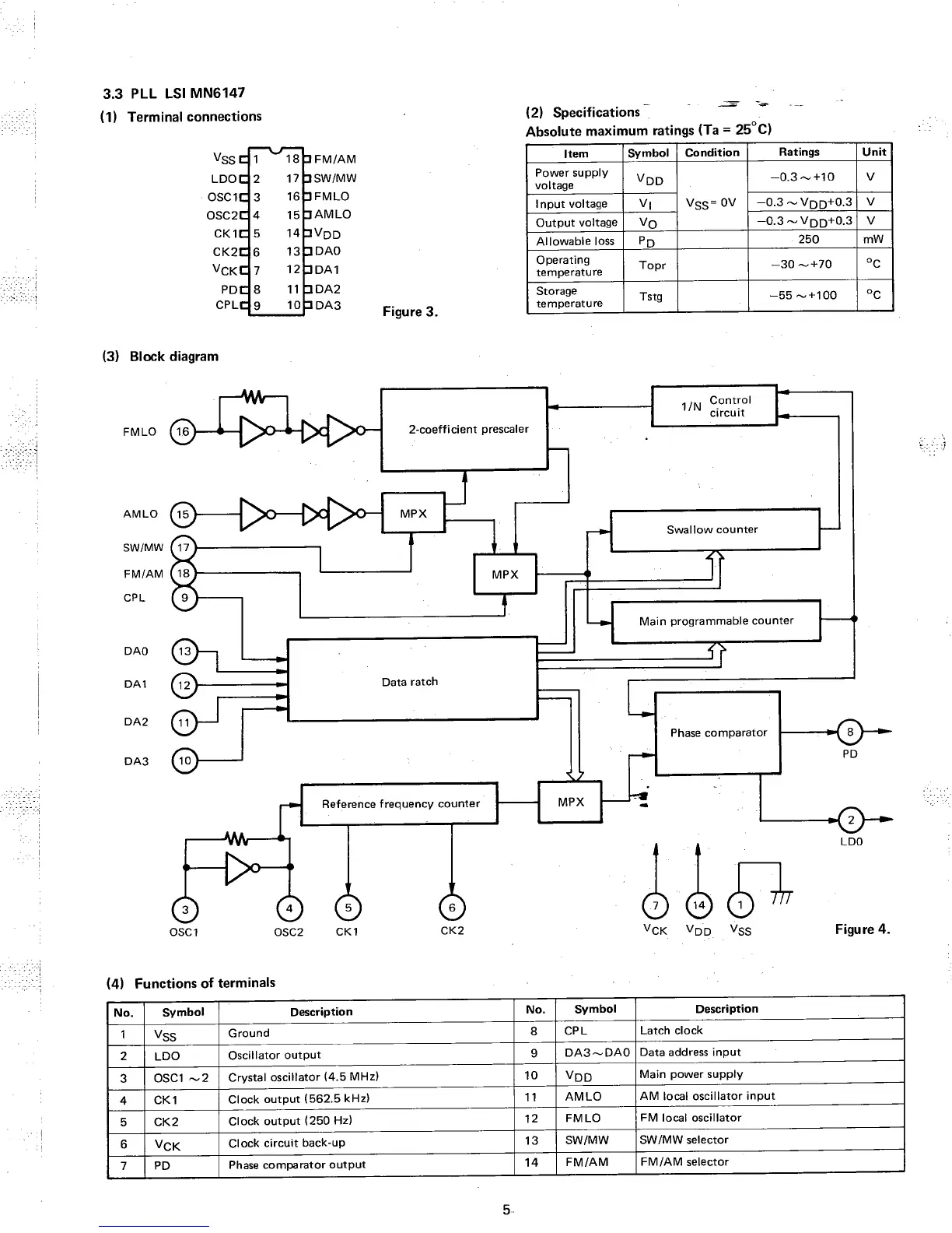
Marantz SR 8100DC - 3.3 PLL LSI MN6147; (1) Terminal connections; (2) Specifications; (3) Block diagram

Marantz SR 8100DC
44 pages
Print Icon
To Next Page IconTo Next Page
To Next Page IconTo Next Page
To Previous Page IconTo Previous Page
To Previous Page IconTo Previous Page
Loading...

Related product manuals