EasyManua.ls Logo

Marantz SR1100L - 9. SCHEMATIC DIAGRAM

Marantz SR1100L
35 pages
Print Icon
To Next Page IconTo Next Page
To Next Page IconTo Next Page
To Previous Page IconTo Previous Page
To Previous Page IconTo Previous Page
Loading...
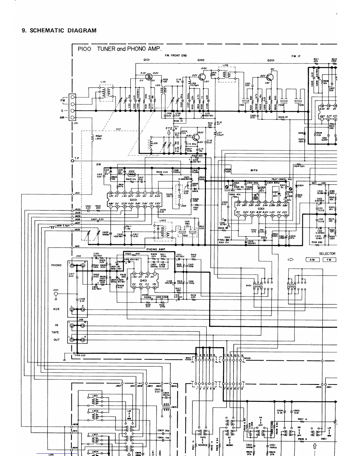
9.
SCHEMATIC
DIAGRAM
I
rrt
|
,,o.
TUNER
ond
PHONO
AMP.
PHONO AMP
FM FRONT
EtD
calt
R4r5
4t/9V
220
;l
SELECIOR
fatr--l
f-FM
-l
I
c4re
ool
r
l1
,l-
-t
)l
- i!91l-
A.
a
I
t-
l-.
'l-
rt
J
o(
il[
(
I r<I tt
ttdJu
ll sr
lt I
t-t t
t I l()fao
tl
.!
o
o
G
TAP€
I
t
SOURCE
FM IF
ilT
I
CA2l
;
ool
I
L G'
tzf
ov t,4y Qv t.sy
t2y
oy
Lov
t3y
30v ,tv
&.u e4/ u.2v
ov 23y
LO!l
c9ro
o.ol
m.-,1

Related product manuals