EasyManua.ls Logo

Marantz SR4600 - Main PWB Schematic

Marantz SR4600
75 pages
Print Icon
To Next Page IconTo Next Page
To Next Page IconTo Next Page
To Previous Page IconTo Previous Page
To Previous Page IconTo Previous Page
Loading...
21 22
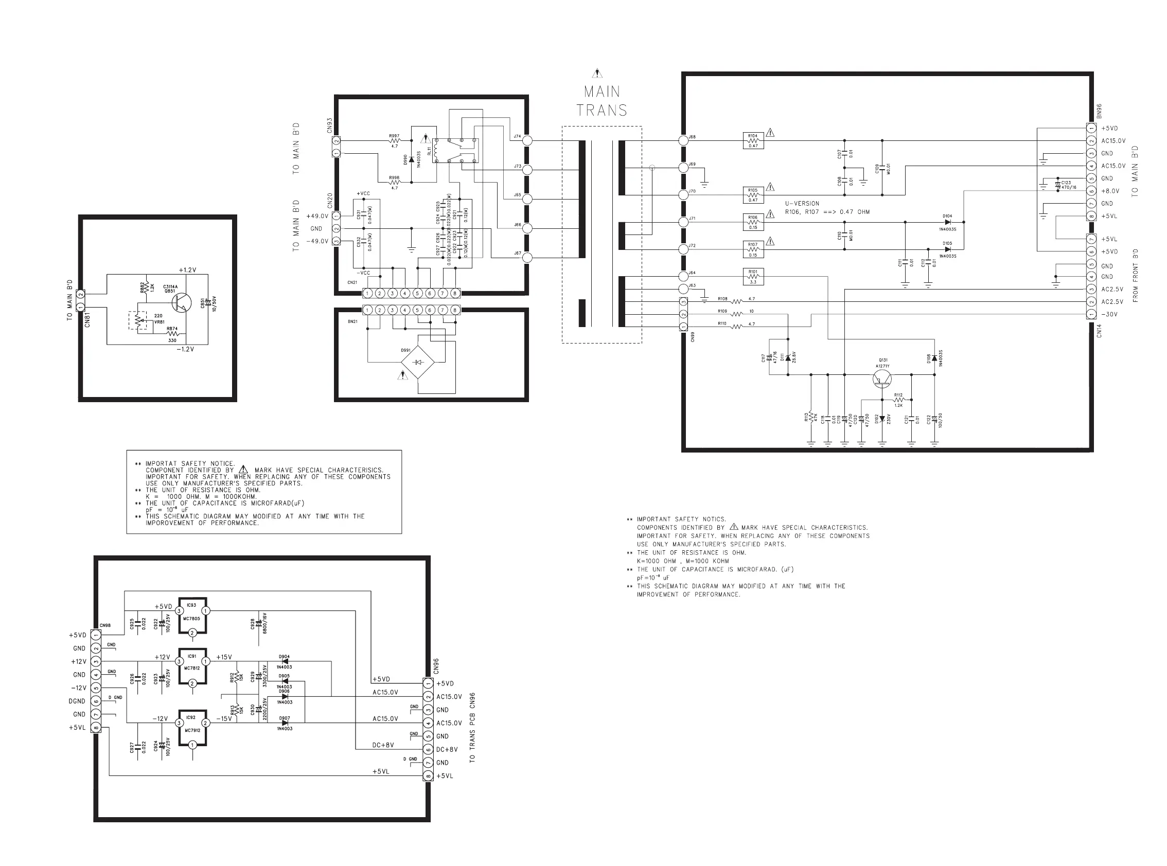
BIAS T.R. PWB
POWER TRANS.-2 PWB
REGULATOR PWB
POWER TRANS.-3 PWB
POWER TRANS.-1 PWB

Other manuals for Marantz SR4600

Related product manuals