EasyManua.ls Logo

Marantz SR480 - Page 3

Marantz SR480
31 pages
Print Icon
To Next Page IconTo Next Page
To Next Page IconTo Next Page
To Previous Page IconTo Previous Page
To Previous Page IconTo Previous Page
Loading...
3 4
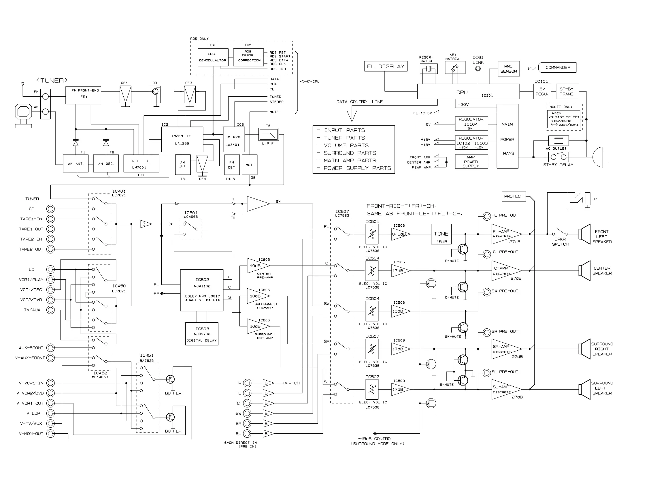
3. BLOCK DIADRAM

Other manuals for Marantz SR480

Related product manuals