EasyManua.ls Logo

Marantz SR490 - Page 36

Marantz SR490
41 pages
Print Icon
To Next Page IconTo Next Page
To Next Page IconTo Next Page
To Previous Page IconTo Previous Page
To Previous Page IconTo Previous Page
Loading...
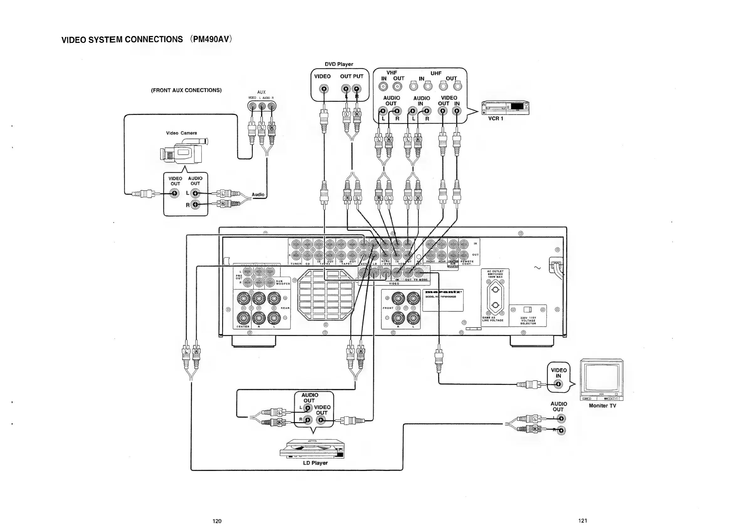
VIDEO
SYSTEM
CONNECTIONS
(PM490AV)
DVD
Player
OUT
PUT
IN
OUT
IN
a
OUT
(FRONT
AUX
CONECTIONS)
ae
VIDEO
L
AUDIO
R
VIDEO
OUT
IN
AUDIO AUDIO
OUT
N
ee
=i
=
Ei
a
——
eS
|
VCR
1
|
IL
od
Video
Camera
ch
th
ah
oh
=
_
SS
55
8
VIDEO
AUDIO
OUT
OUT
lot
®
[LI
®
©
AME
AS
230V_
115V
LINE
VOLTAGE
VOLTAGE
SELECTOR
eles
i]
eis
LD
Player
120
121

Related product manuals