EasyManua.ls Logo

Marantz SR490 - Page 38

Marantz SR490
41 pages
Print Icon
To Next Page IconTo Next Page
To Next Page IconTo Next Page
To Previous Page IconTo Previous Page
To Previous Page IconTo Previous Page
Loading...
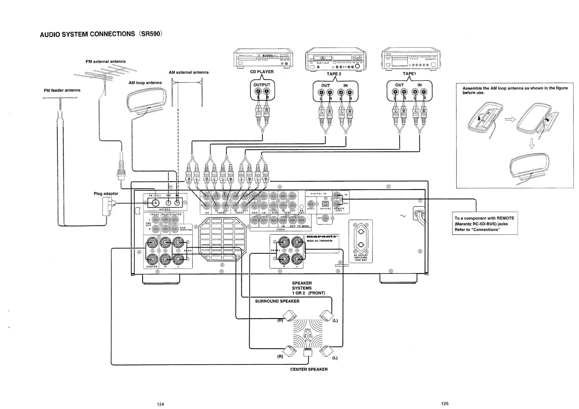
AUDIO
SYSTEM
CONNECTIONS
(SR590)
}
(om)
Hy
0CI0
el
FM
external
antenna
(=
_)|__lese
a
9000
Soe
Oo
00000
©
01100
AM
external
antenna
AM
loop
antenna
FM
feeder
antenna
|
Assemble
the
AM
loop
antenna
as
shown
in
the
figure
before
use.
‘ne
somrlf
te
Aiee
ook
MRL
BK
AY
MN
eS
ROH
EDL
nN
AE
Sd
RJ
RCH
aa
ae
A)
@IL@
©
DIL
2
©
Plag
adaptor
FM
(5a)
G&D
;
©
es
DIGITAL
IN
a
ai
5
a
G3
& 8
3
SOOleOe
:
Ct
ANTENA
iN
OUT
iN
2
0|©
©
&@
REMOTE
Aux
|
to
[ove
on,
SS
i@
6)
S
a
ug
.
=
To
a
component
with
REMOTE
IN
OUT
TV
MONI,
®@)
@)
(Marantz
RC-5D-BUS)
jacks
were
L>
Refer
to
"Connections"
ERRenneen
nat
@
©)
MODEL
NO.
74SA590/028
2)
o
FRONT
a
©
®
©
©
®
Uf
AC
OUTLET
R
L
@
@
®
SPEAKER
SYSTEMS
1OR2
(FRONT)
CENTER
SPEAKER
124
125

Related product manuals