EasyManua.ls Logo

Marantz SR620 - Page 10

Marantz SR620
64 pages
Print Icon
To Next Page IconTo Next Page
To Next Page IconTo Next Page
To Previous Page IconTo Previous Page
To Previous Page IconTo Previous Page
Loading...
®
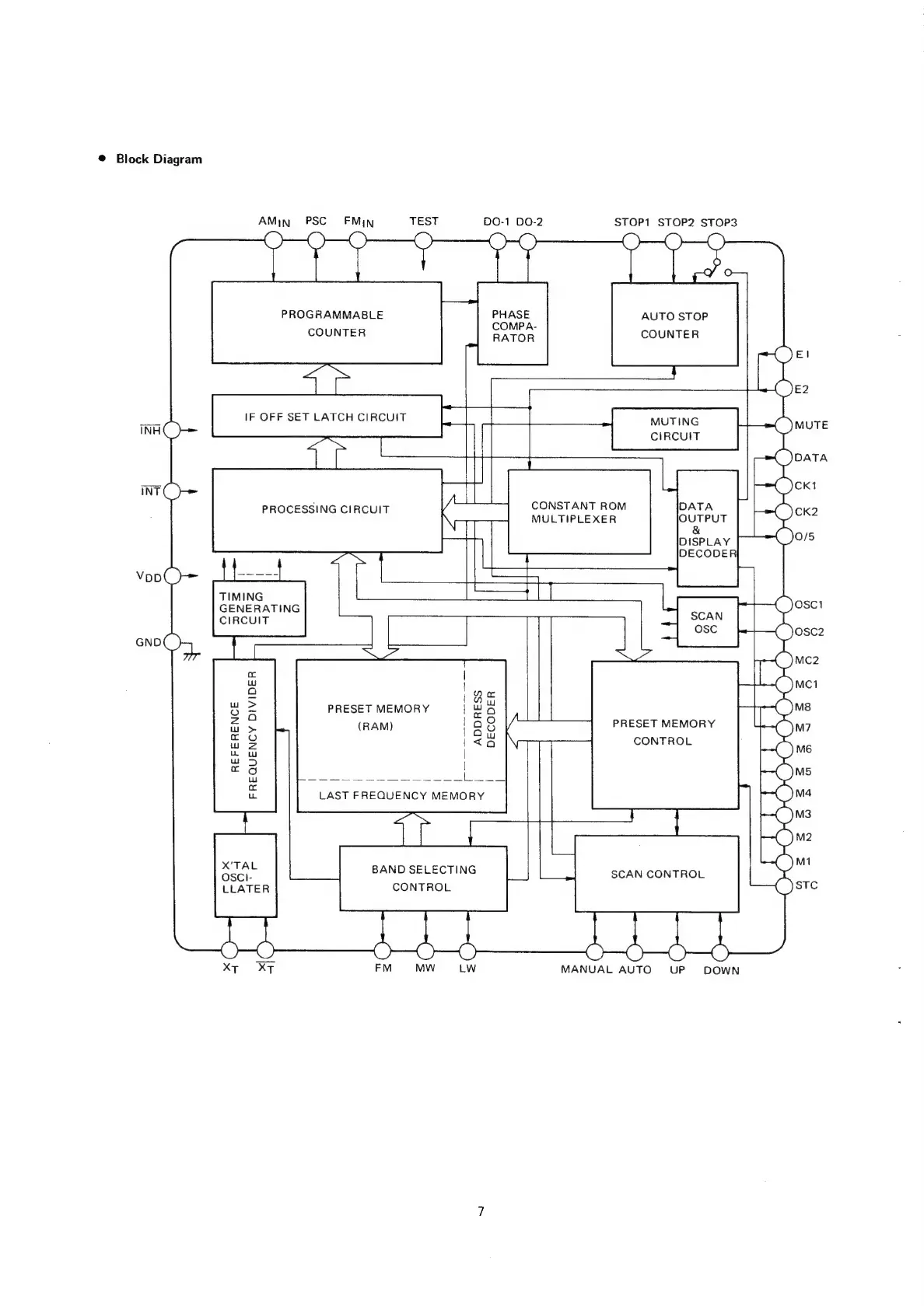
Block
Diagram
AMiy
PSC
FMin
TEST
DO-1
DO-2
STOP1
STOP2 STOP3
PROGRAMMABLE
COUNTER
AUTO
STOP
COUNTER
PROCESSING
CIRCUIT
TIMING
GENERATING
CIRCUIT
PRESET
MEMORY
(RAM)
ADDRESS
DECODER
REFERENCE
FREQUENCY
DIVIDER
LAST
FREQUENCY
MEMORY
CONSTANT
ROM
MULTIPLEXER
PRESET
MEMORY
CONTROL
X'TAL
BAND
SELECTING
OSCI-
LLATER
CONTROL
SCAN
CONTROL
MANUAL
AUTO
UP
DOWN

Related product manuals