EasyManua.ls Logo

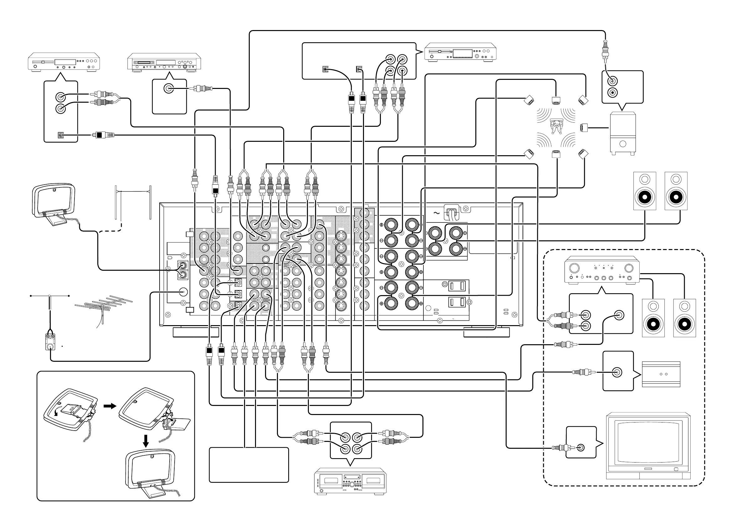
Marantz SR7200 - Audio System Connections Diagram; Audio Component and Speaker Connections

Marantz SR7200
39 pages
Print Icon
To Next Page IconTo Next Page
To Next Page IconTo Next Page
To Previous Page IconTo Previous Page
To Previous Page IconTo Previous Page
Loading...
v
(75
)
GND
AM
FM
AUDIO
FRONT
MONITOR
CENTER
REMOTE CONTROL
OUT
CENTER
SURR.
CENTER
SURR.
SPEAKER SYSTEMS
B
LR
LR
VIDEO
COMPONENT
SPEAKER SYSTEMS
A
CENTERSURR.CENTER
SURROUND
FRONT
Y
rC
b
DVD
C
DSS
/
VCR2
r
bC
C
Y
rC
bC
Y
OUT
VCR1
OUT
VCR2
DSS
/
TOR
MONI
S
-
VIDEO
VIDEO
OUT
OUT
VCR2
DSS
/
OUT
VCR1
MONITOR
ROOM
MULTI
VCR2
DSS
/
TV
DVD
VCR1
IN
TV
VCR1
DVD
VCR2
DSS
/
IN
OUT
IN
TV
DVD
VCR1
VCR2
DSS
/
OUT
TAPE
TAPE
/
MD
CDR
CD
RL
IN
MULTI
REMOTE
VCR2
DSS
/
VCR1
OUT
RL
/
MD
CDR
ROOM
MULTI
OUT
RL
IN
/
OUT
DIGITAL
DIG.OUT OPT
DIG
-
1 IN
DIG
-
2 IN
DIG.OUT COAX
DIG
-
3 IN
DIG
-
4 IN
DIG
-
5 IN
FRONT
SURR.
CENTER
SURR.
FRONT
WOOFER
SUB
WOOFER
SUB
RL
RL
OUT
2
CTRL
OUT
1
CTRL
ANTENNA
SPEAKER IMPEDANCESPEAKER IMPEDANCE
FRONT AFRONT A
OROR
B,B,
CENTER,CENTER,
SURROUND,SURROUND,
SURR. BACK : 6SURR. BACK : 6
--
16 OHMS16 OHMS
FRONT AFRONT A
ANDAND
B : 12B : 12
--
16 OHMS16 OHMS
AC OUTLET
(120V 60Hz)
UNSWITCHED
120W 1A MAX
SWITCHED
120W 1A MAX
OUT
PRE
INPUT
7CH
OUT IN
L
R
L
R
NORMAL
INPUT
INVERT
OUTPUT
CD PLAYER
SUBWOOFER
AMPLIFIER
(MA6100)
FM EXTERNAL
ANTENNA
FM FEEDER
ANTENNA
AM EXTERNAL ANTENNAAM LOOP ANTENNA
SURROUND
SPEAKER
CENTER
SPEAKER
SPEAKER SYSTEM A
FM antenna converter plug (attached)
When using the FM antenna
attach to this apparatus
(R)
(R)
(L)
(L)
OUTPUT
L
R
AUDIO SYSTEM CONNECTIONS FOR AUDIO COMPONENTS
MD PLAYER
TAPE DECK
DIGITAL
INPUT
DIGITAL
OUTPUT
SUB
WOOFER
CD RECORDER
OUT IN
L
R
L
R
To a component with REMOTE
(Marantz RC-5 D-BUS) jacks
Refer to "CONNECTION FOR A
SUBWOOFER" (Page 6)
DIGITAL
OUTPUT
DIGITAL
INPUT
Assemble the AM loop antenna as
shown in the figure before use
LINE IN RC IN
MULTI ROOM SPEAKER
MAIN AMP
(For MULTI ROOM)
MULTI
ROOM
INPUT
(L)
(R)
(L)
(R)
L
R
IR RECEIVER
MULTI ROOM
MONITOR TV for MULTI ROOM
VIDEO
IN
SPEAKER SYSTEM B

Related product manuals