EasyManua.ls Logo

Marcy ME-708 - Page 7

Marcy ME-708
21 pages
Print Icon
To Next Page IconTo Next Page
To Next Page IconTo Next Page
To Previous Page IconTo Previous Page
To Previous Page IconTo Previous Page
Loading...
www.puretecfitness.com
7
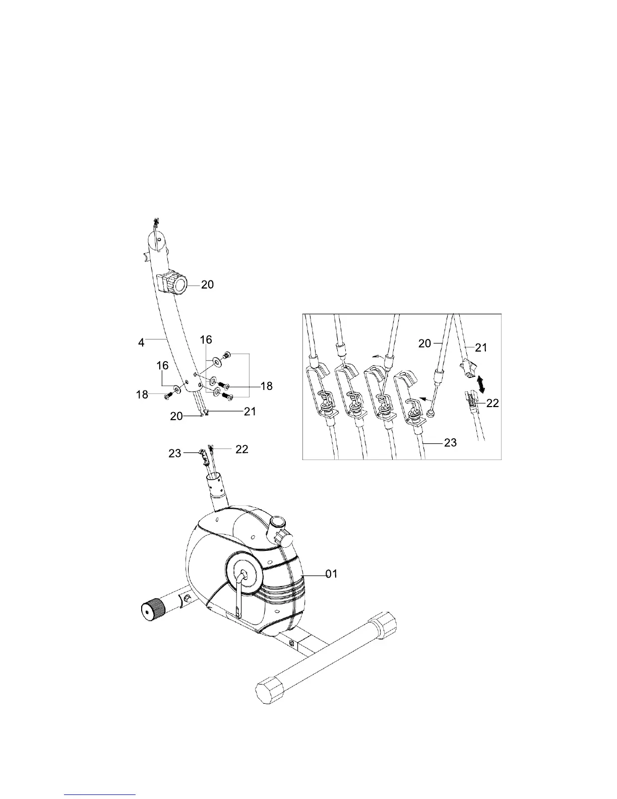
STEP 2
Attach the front post (04) to the main frame (01). Connect the middle sensor wire (21)
from the bottom of front post to the lower sensor wire (22) from the main fame.
Pull the tension connector from the upper tension cable (20) and slide in between the
opening on the connector holder on the lower tension cable (23). Pull the upper tension
cable upward and slide the wire through the slot on the bracket.
Drop down the upper tension cable so the fitting sits firmly on top of the bracket.
Secure the front post to the main frame with four allen screws (18) and four curved
washers (16).

Related product manuals