EasyManua.ls Logo

Mase Generators IS 3501 - Wiring Diagram; Electrical Schematic and Component Description

Default Icon
29 pages
Print Icon
To Previous Page IconTo Previous Page
To Previous Page IconTo Previous Page
Loading...
29
6)SCHEMA ELETTRICO6)SCHEMA ELETTRICO
6)SCHEMA ELETTRICO6)SCHEMA ELETTRICO
6)SCHEMA ELETTRICO
6)WIRING DIAGRAM6)WIRING DIAGRAM
6)WIRING DIAGRAM6)WIRING DIAGRAM
6)WIRING DIAGRAM
DESCRIZIONEDESCRIZIONE
DESCRIZIONEDESCRIZIONE
DESCRIZIONE
11
11
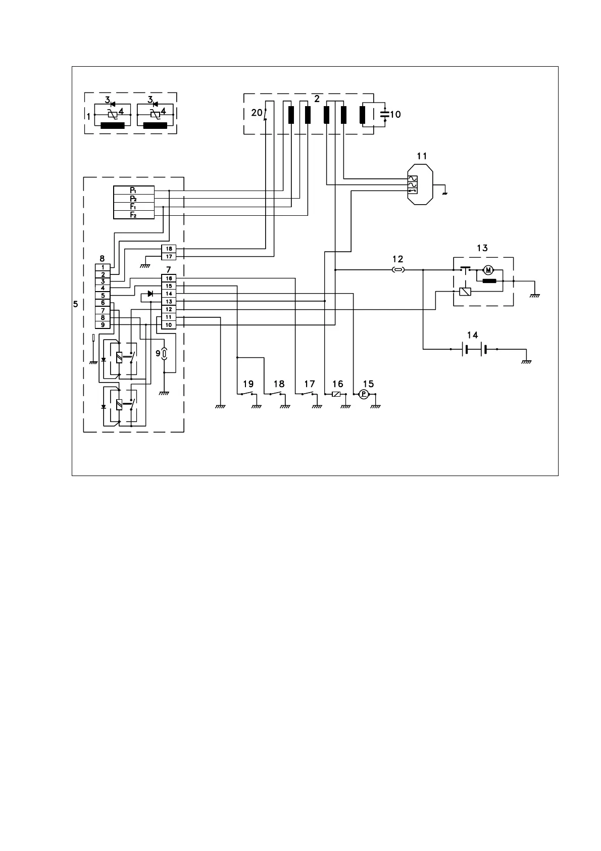
1 ROTORE
22
22
2 STATORE
33
33
3 DIODO 3A
44
44
4 VARISTORE
55
55
5 SCHEDA RELAY
66
66
6 MORSETTIERA DI POTENZA
77
77
7 MORSETTIERA CIRCUITO RELAY
88
88
8 MOSETTIERA PANNELLO COMANDI
99
99
9 FUSIBILE 1A
1010
1010
10 CONDENSATORE
1111
1111
11 REGOLATORE CARICA BATTERIA
1212
1212
12 FUSIBILE
1313
1313
13 MOTORINO AVVIAMENTO
1414
1414
14 BATTERIA
1515
1515
15 POMPA COMBUSTIBILE
1616
1616
16 ELETTROVALVOLA STOP
1717
1717
17 PRESSOSTATO OLIO
1818
1818
18 TERMOSTATO TESTATA MOTORE
1919
1919
19 TERMOSTATO ACQUA
2020
2020
20 TERMOSTATO ALTERNATORE
11
11
1 ROTOR
22
22
2 STATOR
33
33
3 DIODE 3A
44
44
4 VARISTOR
55
55
5 PRINTED CIRCUIT RELAY
66
66
6 POWER TERMINAL BOARD
77
77
7 RELAY CIRCUIT TERMINAL BOARD
88
88
8 CONTROL PANEL TERMINAL BOARD
99
99
9 FUSE 1A
1010
1010
10 CAPACITOR
1111
1111
11 BATTERY CHARGER REGULATOR
1212
1212
12 FUSE
1313
1313
13 STARTER
1414
1414
14 BATTERY
1515
1515
15 FUEL PUMP
1616
1616
16 FUEL SOLENOID
1717
1717
17 OIL PRESSURE SWITCH
1818
1818
18 OVERHEAD ENGINE THERMOSTAT
1919
1919
19 WATER TERMOSTAT
2020
2020
20 ALTERNATOR THERMOSTAT
DESCRIPTIONDESCRIPTION
DESCRIPTIONDESCRIPTION
DESCRIPTION
66
66
6

Related product manuals