EasyManua.ls Logo

Mase IS 2500 - Electrical Wiring Diagram

Mase IS 2500
44 pages
Print Icon
To Next Page IconTo Next Page
To Next Page IconTo Next Page
To Previous Page IconTo Previous Page
To Previous Page IconTo Previous Page
Loading...
IS 2500 - 3500 - 4500 - 5500
4
GENERATORS
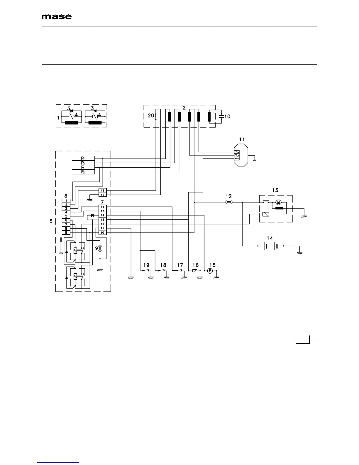
SCHEMA ELETTRICO-WIRING DIAGRAM-SCHEMA ELECTRIQUE-SCHALTPLAN-ESQUEMA ELE'CTRICO
ELEKTRISCH SCHEMA
6
8

Other manuals for Mase IS 2500

Related product manuals