EasyManua.ls Logo

Master Pumps MPXI11MULTI4PC17 - Connexion Électrique

Master Pumps MPXI11MULTI4PC17
Print Icon
To Next Page IconTo Next Page
To Next Page IconTo Next Page
To Previous Page IconTo Previous Page
To Previous Page IconTo Previous Page
Loading...
8. CONNEXION ELECTRIQUE
Avant la connexion, s‘assurer qu'il n'y ait pas de tension aux bornes du fil de ligne.
La pompe électrique doit être mise à la terre de manière fiable afin d‘éviter les fuites
électriques, et elle doit être équipée d‘un disjoncteur différentiel.
Le raccordement électrique doit être réalisé conformément aux prescriptions locales. Vérifier que la
pompe fonctionne dans la plage spécifiée sur la plaque signalétique. Brancher la pompe (en
s‘assurant qu'il y ait un circuit de mise à la terre efficace) selon le schéma sur la plaque signalétique
sur le moteur. Le sens de rotation correct des moteurs triphasés est dans le sens des aiguilles d'une
montre, en regardant la pompe du côté du ventilateur du moteur. Si ce n‘est pas le cas, inverser deux
des phases.
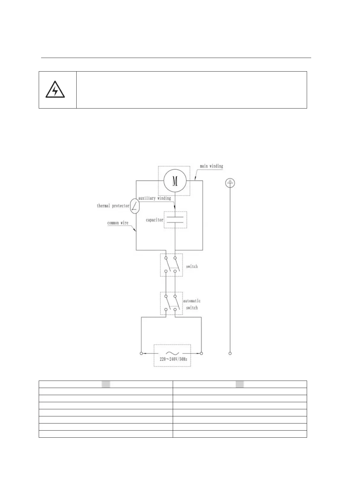
EN
FR
main winding Enroulement principal
auxiliary winding Enroulement auxiliaire
thermal protector Protecteur thermique
capacitor Condensateur
common wire Fil commun
switch Commutateur
automatic switch Interrupteur automatique

Related product manuals