EasyManua.ls Logo

Master Pumps MPXI11MULTI4PC17 - 8. ELECTRICAL CONNECTION; Wiring Diagram and Safety

Master Pumps MPXI11MULTI4PC17
Print Icon
To Next Page IconTo Next Page
To Next Page IconTo Next Page
To Previous Page IconTo Previous Page
To Previous Page IconTo Previous Page
Loading...
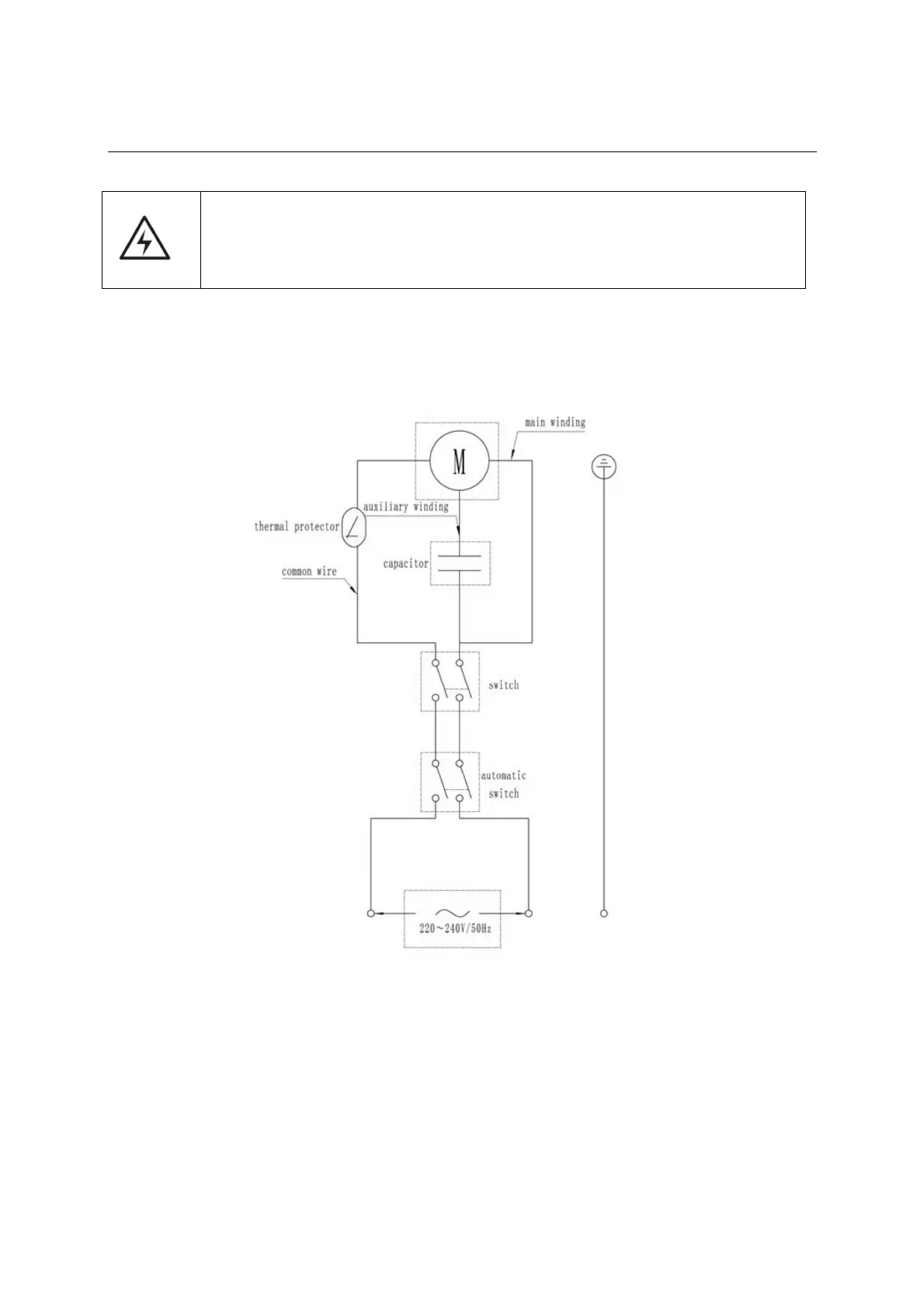
8. ELECTRICAL CONNECTION
Make sure that there is no voltage at the line wire terminals before connecting.
The electric pump shall be grounded reliably to avoid electric leakage and an
earth leakage circuit breaker shall be equipped.
The electrical connection shall be carried out according to the local regulations. Check that the pump
operates within the specified range on the nameplate. Connect up the pump (making sure that there is
an efficient grounding circuit) according to the diagram on the nameplate on the motor. The correct
direction of rotation for three-phase motors is clockwise, looking at the pump from the motor fan side.
If this is not the case, invert two of the phases.

Related product manuals